I have in my posession a complete Daydream kit.
Now it is in my interest (as well as a few others) to try and make a schematic so we can make more.
The problem is that to do this I would risk ruining the unit by desoldering the whole board so we can see every trace and possibly damaging a component or the whole board (I'm looking through the board with a light and I'm not seeing any middle layers so there is only the top and bottom) and even if we could produce a new trace layout, two small chips have had their numbers ground off with a third partially readable.
I need help with IDing the three chips and I can do the PCB scanning.
Can we do this?
Quote from: "pentium"I need help with IDing the three chips and I can do the PCB scanning.
Can we do this?
Maybe... The usual way to do this is destructive. Open the packages and 'scope the dies. They really ground off the markings? Suggests somewhat standard parts or an attempt to avoid licensing problems. Maybe someone has one without the grinding.
And check the board again. Is it really only two layers? That's easy to deal with and it might provide additional info to identify the chips in question.
It only looked like two layers.
often circut boards will have the id of the chip silkscreened to the board under the chip.
Well I guess it's possible here.
How about some front and back photos of the board? If you have a scanner, it should do nicely as a camera/macro lens combination.
Do you want the ROM chips on the board or no? Aside from those other chips whose markings have been ground off, you can't really see any other traces. That's why I want to completely disassemble the thing: So I can see every trace.
If they're socketed, pull them. Might get some extra info under the sockets if they're open-frame. But stay away from the desoldering station for now...
Okay, I'll get on it.
In the mean time, it might be nice if korneluk was able to pull his ROM chips and see if the chips on his board were ground as well.
... yep, two layer. A GAL whose programming will have to be extracted. My thought on the defaced chips was that these were something they pulled out of a Mac from that era. To make it just enough work to be too expensive to sue them. Don't know if that's the case, just my natural inclination...
A GAL?
Oh great, I have nothing on hand to read that let alone your regular run of the mill EEPROM.
I've started a hand-drawn schematic which I'll email to you to get you started (PM me with your email address). Admins, it would be nice to have a place to put files...
Well the schematics are advancing slowly but we still have no idea about those chips.
One thing that someone at my work suggested is too look up the patent for this board. They might not directly ID the chips but the circuit, and what those chips do will be.
-bill
Do we know of anyone with another Daydream board?
Quote from: "un"Do we know of anyone with another Daydream board?
didn't korneluk also own one?
His name is on the photos of the other box in the file archive.
I'm still horribly tempted to go and completely depopulate the board just so we can scan it in.
Quote from: "un"Do we know of anyone with another Daydream board?
I have one too.
I emailed a link to this thread to a friend of mine, who replied with some information I think would be useful. I do need to double check with him before posting it here (but bug me if I haven't in the next couple days).
Thanks.
Anyways, I was doing some desoldering on another piece of equipment I have and I decided to change my mind about desoldering the whole board.
As long as you don't have desoldering braid, it's a nightmare and I would rather not destroy this box.
I have one too... my memory is that the ROMs are basically Mac ROMs.
Quote from: "gtnicol"I have one too... my memory is that the ROMs are basically Mac ROMs.
True, Actually are they not from an LC or LC II?
Quote from: "pentium"and I decided to change my mind about desoldering the whole board.
If you desolder it, you'll be sorry. :-) It's a simple circuit. Easy to recover by hand. Identifying those three parts and the gal programming, those will be the challenge. An interesting thing is that the gal appears to have a 1999 date code on it. I'm curious about that....
What can we use to read it?
I'm pulling out the scanner and am proceeding to make scans of everything in the package. Disks will also be imaged and I'll make a little note of the part numbers of the components we do know.
Okay, with the exception of the Disk images (I still don't know how to make images using Rawrite), everything has been scanned. Chips, documents, disks, the box, pinouts, everything.
Now I need a place to host it all.
Okay, I have completed imaging the disks.
Quote from: "un"Do we know of anyone with another Daydream board?
I have a DayDream Rom Box
Wonderful!
Have the chips on yours had their numbers ground off?
Quote from: "pentium"Wonderful!
Have the chips on yours had their numbers ground off?
Well from what I recall no they seem to be OK, it's hard to check it now as my box is at home in the UK and I'm working abroad for at least another six months yet, I think I may have photos of it though, I'll see if I can dig them up
brams
Great! :D
If we can get the numbers off these last chips we should have all the info we need to start making our own Daydream boxes.
Have you had the time yet to pop your box open and read the numbers on the chips?
I don't want to bump this again but I would really, really really like it if I could get the numbers for those chips and a dump of that GAL chip.
I haven't found anyone that can dump it yet. still looking.
Thanks.
Even if I can get a binary dump of it we should be safe.
Since it appears that Helf is still looking for someone to dump the GAL chip, can anyone else who has a daydream box see if they can get that GAL chip dumped or tell us the numbers on those two chips?
mmmm. I will love to have one of those too
Quote from: "NeXTnewbe"mmmm. I will love to have one of those too
Well, if someone was sensible enough to dump the GAL chip (which they wern't and thus didn't, Helf D<) we would of probably had enough information by now to be able to make our own daydream boxes.
All we need to know is the identity of two chips and get the GAL chip dumped.
1. I didn't have the hardware or know-how or know anyone locally with it
2. If the security stuff has been enabled on the GAL, there is effe all you can do to dump it and you will have to poke bits into it and read the outcome and try to duplicate its functionality through trial and error.
Have fun with that.
Come on, helf, you got what you want. Give these people the dump! :wink:
Quote from: "iDork"Come on, helf, you got what you want. Give these people the dump! :wink:
He can't do that anymore as he sold the daydream box again. :/
I had it in my grasp....
well, the guy I sold it to said he has friends with the know-how to get it dumped if its possible. ill ask him about it again.
Quote from: "helf"well, the guy I sold it to said he has friends with the know-how to get it dumped if its possible. ill ask him about it again.
please,please,please, ask again :lol:
BuMP.
Managed to gather a complete four chip set of LC II Roms. They should do the job for filling the requirement for Apple ROM chips.
I still have not yet managed to find the numbers on the scratched chips, nor have I managed to get a dump of the GAL.
Good news, I've managed to get a part number off one of the remaining chips.
Quote from: "barcher174"Good news, I've managed to get a part number off one of the remaining chips.

Hello NeXT community: even better news I have tracked down the original developers of Daydream. I sent them a message asking if they would help us resurrect Daydream as they were very cool. Stay tuned , I'll seeif they'll join the forum as well. Best regards Rob Blessin
These guys are good and may be able to help us update NeXTstep as well
http://www.quix.ch/About/About.html
I also was in touch with one of the develpers about two and a half years ago. I live not too far away from their headquarters and one of the NeXT tagged cubes that was used to develop DayDream ended up being in my collection... just let me know if I can be of any help.
I'm waiting for some 15 pin connectors to arrive so I can make a passthrough and probe the I/O. I notice that you can only allocate 1MB less than the total system memory. My hope is that this accounts for both kernel and ROM overhead, meaning that everything is dumped to system memory before the mac OS boots. I think trying to make a 1-1 copy of the board is probably more effort than just emulating the hardware response. If I was designing something like this I would probably do the bare minimum to keep Apple happy about the licensing. With that in mind I think we've got a real shot at cloning this.
This is VERY promising. The chips add another piece to the puzzle. At this point the last major variable is the contents of the GAL.
Quote from: "barcher174"Good news, I've managed to get a part number off one of the remaining chips.

barcher174,
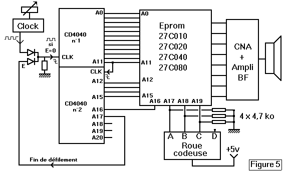
based on the pictures, here is a basic description of the circuit:
* two 74HC4040 ICs are counters used to generate the addresses.
* GAL16V8 and the 74HC151 are used for address decoding and chip select.
* the 8-pin IC is probably a timer used to generate the clock for the address counters.
I suspect all this circuit is doing is reading the ROMs into memory at power up.
I have access to a GAL programmer at work. If you send me the board, I can read the GAL, or, if it is protected, put a logic analyzer on the bus to finish reverse engineering the Daydream PCB.
regards,
-- jose k.
To help push this project along, I'll offer to pay shipping both ways between you and korneluk.
Hi all
I have some more debug I want to do on my side, but if I'm unsuccessful I'll pass the ball along.
--
Brian
Quote from: "barcher174"Hi all
I have some more debug I want to do on my side, but if I'm unsuccessful I'll pass the ball along.
--
Brian
Brian,
here's a little incentive: I have one of the DSP memory expansion boards for the Cube (the only one I have ever seen). Obviously another project that deserves a thread of its own, however, I am willing to loan it to anyone who can provide a Daydream board in exchange :)
-- jose k.
There are multiple versions of the DayDream... I assume they're all pretty much the same. I have another one or two here...
Quote from: "gtnicol"There are multiple versions of the DayDream... I assume they're all pretty much the same. I have another one or two here...
gtnicol,
can you open the box and see if there are any identifying marking/part numbers on the 8-pin IC? I suspect it is a timer to provide a clock signal to the 74HC4040 counters, which in turn, output an address to the ROMs.
TYVM,
-- josé k.
My one is rev 1.34 and both those chips have been sanded to remove the identifier.
Quote from: "gtnicol"My one is rev 1.34 and both those chips have been sanded to remove the identifier.
I have a basic schematic and I am in the process of wire-wrapping a prototype. I have a set of Mac ROMs, but need a DayDream board and cable to ohm out the the 15-pin cable to the 26-pin pin connector on the PCB.
Could I borrow one of yours?
-- josé k.
Should be able to able to do that. If you tell me what you need, I can throw an ohmeter on there too...
As long as there are multiple people working on this, let me share what I know. The daydream is using the UART on the DSP port to communicate. I think the only reason the DSP port is used is the addition of 12V to power the device. Otherwise they probably would have just used a standard serial port. The pinout is as follows:
Pin 1 SCK Pin 9 GND
Pin 2 SRD Pin 10 GND
Pin 3 STD Pin 11 GND
Pin 4 SCLK Pin 12 SC2
--> Pin 5 RxD Pin 13 SC1
--> Pin 6 TxD Pin 14 SC0
--> Pin 7 +12V, .5A Pin 15 GND
Pin 8 -12V, .1A
The daydream appears to be a "dumb" device. As far as I can tell it waits for predetermined sequence from the daydream kernel over serial and then begins dumping the rom row by row to be read into memory. I have been exploring this handshake using a USB serial adapter as I documented in another thread. You can set a boot loop by using 'sd daydream' as your default boot device. When you do this you get a repeating pattern in a serial console. Example at 115200:
xx~x~xxx~xNxpx@x~x>xNxxpx0x@xx~x~~x>x>~xNxN~xx~xpxp~x0x0~x@x@~xxx~x~~x~~x~xx>x>~x>~x>xxNxN~xN~xNxxx~x~xxxpxp~xp~xpxx0x0~x0~x0xx@x@~x@~x@xxx~xxx~x~~x~~x~xx~x~cx~xx~`xx~x~xxxxcx|x`xfxf~xf~xfxxfxfgxf|xf`xx~x~xxxxcx|x`xxxx~xx~xxxxxxxcxxxxx`xx~x~xxxxcx|x`x`x`~x`~x`xx`x`cx`|x``xx~x~xxxxqxx8q8
It of course is not in ASCII, so I've been looking for a serial debugger I can use on the Mac (probably going to need to install windows). After I have the hex sequence to send to the device, I will hook up the device to a serial console and record the output. I'm pretty sure we then just need to feed this back when prompted by the daydream kernel. There is then no need to reverse engineer the actual hardware.
Anyone can replicate what I've done so far without the daydream hardware. If you're able to get the output from the next into a serial debugger, please contact me.
--
Brian
I double checked the photos of my old board and it seems it too had the 8 pin chip sanded off.
What chip numbers we can see however do match up. You can also see that pins 5, 6, and 7 are tied together on that little chip. I wonder what on earth it's doing...
Quote from: "barcher174"As long as there are multiple people working on this, let me share what I know. The daydream is using the UART on the DSP port to communicate. I think the only reason the DSP port is used is the addition of 12V to power the device. Otherwise they probably would have just used a standard serial port. The pinout is as follows:
Pin 1 SCK Pin 9 GND
Pin 2 SRD Pin 10 GND
Pin 3 STD Pin 11 GND
Pin 4 SCLK Pin 12 SC2
--> Pin 5 RxD Pin 13 SC1
--> Pin 6 TxD Pin 14 SC0
--> Pin 7 +12V, .5A Pin 15 GND
Pin 8 -12V, .1A
The daydream appears to be a "dumb" device. As far as I can tell it waits for predetermined sequence from the daydream kernel over serial and then begins dumping the rom row by row to be read into memory. I have been exploring this handshake using a USB serial adapter as I documented in another thread. You can set a boot loop by using 'sd daydream' as your default boot device. When you do this you get a repeating pattern in a serial console. Example at 115200:
xx~x~xxx~xNxpx@x~x>xNxxpx0x@xx~x~~x>x>~xNxN~xx~xpxp~x0x0~x@x@~xxx~x~~x~~x~xx>x>~x>~x>xxNxN~xN~xNxxx~x~xxxpxp~xp~xpxx0x0~x0~x0xx@x@~x@~x@xxx~xxx~x~~x~~x~xx~x~cx~xx~`xx~x~xxxxcx|x`xfxf~xf~xfxxfxfgxf|xf`xx~x~xxxxcx|x`xxxx~xx~xxxxxxxcxxxxx`xx~x~xxxxcx|x`x`x`~x`~x`xx`x`cx`|x``xx~x~xxxxqxx8q8
It of course is not in ASCII, so I've been looking for a serial debugger I can use on the Mac (probably going to need to install windows). After I have the hex sequence to send to the device, I will hook up the device to a serial console and record the output. I'm pretty sure we then just need to feed this back when prompted by the daydream kernel. There is then no need to reverse engineer the actual hardware.
Anyone can replicate what I've done so far without the daydream hardware. If you're able to get the output from the next into a serial debugger, please contact me.
Would this NeXT dev tool help its in the archives :http://www.nextcomputers.org/NeXTfiles/Software/NEXTSTEP/Developer/Tools/Gtools/HexEditor.README
Best regards Rob Blessin
--
Brian
Quote from: "barcher174"As long as there are multiple people working on this, let me share what I know. The daydream is using the UART on the DSP port to communicate. I think the only reason the DSP port is used is the addition of 12V to power the device. Otherwise they probably would have just used a standard serial port. The pinout is as follows:
Pin 1 SCK Pin 9 GND
Pin 2 SRD Pin 10 GND
Pin 3 STD Pin 11 GND
Pin 4 SCLK Pin 12 SC2
--> Pin 5 RxD Pin 13 SC1
--> Pin 6 TxD Pin 14 SC0
--> Pin 7 +12V, .5A Pin 15 GND
Pin 8 -12V, .1A
The daydream appears to be a "dumb" device. As far as I can tell it waits for predetermined sequence from the daydream kernel over serial and then begins dumping the rom row by row to be read into memory. I have been exploring this handshake using a USB serial adapter as I documented in another thread. You can set a boot loop by using 'sd daydream' as your default boot device. When you do this you get a repeating pattern in a serial console. Example at 115200:
xx~x~xxx~xNxpx@x~x>xNxxpx0x@xx~x~~x>x>~xNxN~xx~xpxp~x0x0~x@x@~xxx~x~~x~~x~xx>x>~x>~x>xxNxN~xN~xNxxx~x~xxxpxp~xp~xpxx0x0~x0~x0xx@x@~x@~x@xxx~xxx~x~~x~~x~xx~x~cx~xx~`xx~x~xxxxcx|x`xfxf~xf~xfxxfxfgxf|xf`xx~x~xxxxcx|x`xxxx~xx~xxxxxxxcxxxxx`xx~x~xxxxcx|x`x`x`~x`~x`xx`x`cx`|x``xx~x~xxxxqxx8q8
It of course is not in ASCII, so I've been looking for a serial debugger I can use on the Mac (probably going to need to install windows). After I have the hex sequence to send to the device, I will hook up the device to a serial console and record the output. I'm pretty sure we then just need to feed this back when prompted by the daydream kernel. There is then no need to reverse engineer the actual hardware.
Anyone can replicate what I've done so far without the daydream hardware. If you're able to get the output from the next into a serial debugger, please contact me.
--
Brian
The 3-terminal device is a 7805 voltage regulator to provide 5V to the ICs on the board from the 12V available on the DSP port.
Besides the pins listed above, has anybody traced the rest of the pins from the 15-pin connector to the 26-pin IDC header?
Quote from: "mikeboss"I also was in touch with one of the develpers about two and a half years ago. I live not too far away from their headquarters and one of the NeXT tagged cubes that was used to develop DayDream ended up being in my collection... just let me know if I can be of any help.
mikeboss,
could you ask the developer for schematics and the logic in the PAL?
I know it's a lot to ask, but worth a shot.
TYVM,
-- jose k.
unfortunately he suddenly ceased responding to my e-mails :( this was in april of 2012. his intention was to give me stuff to be found in their archives... his e-mail address can be found using google so it's no big secret. if anybody wants to try: his name is andy grawehr, the mail is agrawehr[at]quix.ch
Quote from: "mikeboss"unfortunately he suddenly ceased responding to my e-mails :( this was in april of 2012. his intention was to give me stuff to be found in their archives... his e-mail address can be found using google so it's no big secret. if anybody wants to try: his name is andy grawehr, the mail is agrawehr[at]quix.ch
I tried and his response is below , I have no problem asking Apple permission to use Roms from the Jurassic period to reassurect a cool old app . I doubt they will send out the posse to round us up as the trails gone cold lol.
Best Regards Rob Blessin
President, Black Hole, Incorporated
3007 Conestoga Ct.
Fort Collins, CO 80526
303-741-9998
http://www.blackholeinc.com/"NeXTSTEP is probably the most respected software on the planet" Byte Magazine
-----Original Message-----
>From: Andy Grawehr <agrawehr@quix.ch>
>Sent: Dec 2, 2014 1:35 PM
>To: "'Rob Blessin Black Hole , Inc'" <bhi1@ix.netcom.com>
>Subject: RE: NeXT Computers and Daydream LIVES!
>
>Hello Rob,
>Yes I remember your name... that was a long time ago!! Nice..
>Indeed I get queries about Daydream still, about one or two per year. The problem is that we terminated the license agreement with Apple, and hence can no longer ship Apple ROMs. Its copyrighted material... Sorry on that one..
>I still have a 040 Cube. After 15 years I booted it for the first time recently. Still works. It was and still is good technology.
>Greetings,
>Andy Grawehr
>
>-----Original Message-----
>From: Rob Blessin Black Hole , Inc [mailto:bhi1@ix.netcom.com]
>Sent: Tuesday, November 04, 2014 11:03 AM
>To: info@quix.ch
>Cc: andy@quix.ch
>Subject: NeXT Computers and Daydream LIVES!
>
>
>Hello Grawehr Andy / Quix developers: I know we have done NeXT business! My name is Rob Blessin , I've been reselling NeXT hardware full time for 20 years . It looks like you Are the same developers that invented the Daydream box for NeXT computers. If yes do you have any NeXT Daydreams still floating around?
>
>We are still keeping the NeXT Dream alive after all of these years at
http://www.blackholeinc.com. >
>As the original Daydream developers would you help us resurrect Daydream for the die hard NeXT owners or please give us permission to try (We really need your help, it will be fun) and we would invite you to join NeXTcomputers.org Forums many thanks.
>
>We appreciate your time. Best regards Rob Blessin
>
>Best Regards Rob Blessin
>President, Black Hole, Incorporated
>3007 Conestoga Ct.
>Fort Collins, CO 80526
>303-741-9998
>
http://www.blackholeinc.com/>"NeXTSTEP is probably the most respected software on the planet" Byte Magazine
>
Quote from: "gtnicol"Should be able to able to do that. If you tell me what you need, I can throw an ohmeter on there too...
gtnicol,
Two needs/requests:
1. what is the value of the three resistors next to the 7805 regulator?
2. can you trace (ohm out) the connections from the 15-pin connector to the 26-pin IDC header on the PCB?
The info will help with the schematic while I wait for the ordered parts to start a wire-wrap prototype.
TYVM,
-- josé k.
I'll get the measurements done tomorrow.
I think that getting resistor values is just making this way more complicated than it needs to be as the IC is just a regulator. Just get a stock 5V LDO regulator. ICs have come a long way in 20 years.
The other thing is that I would be a bit fearful of probing around too much if this is as rare a thing as it seems. ESD protection has also come a long way in 20 years. Depending on how you test the resistance may or may not hurt something. Ideally, you'd power up the device and then use a high impedance input (like a scope probe) to test the resistance. Resistance probes usually force a voltage and that might cook something.
A bit of an update to this, as I thought about how I would do it, since I generally do hardware. I would take the recorded stream via a logic analyzer (the serial port approach is fine) to get the bit stream.
To send back the bitstream, I would use a simple MCU with the bitstream saved on an SDcard. This is because you get tons of example code that can do that. I have all of the equipment to do everything you need, as I have a complete analog/digital design lab in my house, but I'm currently swamped to the point of ignoring my other pet projects.
On the note of dumping the stream, it would be valuable to know if the daydream every did any other I/O post boot of the application. The "cutest" implementation of a daydream clone would be to just write the ROM info to some serial ram off the DSP port, and then just load it back from the DSP port in the usual way.
12V to 3.3v level shifter, and the IC, it's like just a few hours for hardware:
http://www.digikey.com/product-detail/en/23LC1024-I%2FP/23LC1024-I%2FP-ND/3543083Software, I have no idea.
Quote from: "barcher174"As long as there are multiple people working on this, let me share what I know. The daydream is using the UART on the DSP port to communicate. I think the only reason the DSP port is used is the addition of 12V to power the device. Otherwise they probably would have just used a standard serial port. The pinout is as follows:
Pin 1 SCK
Pin 2 SRD
Pin 3 STD
Pin 4 SCLK
--> Pin 5 RxD
--> Pin 6 TxD
--> Pin 7 +12V, .5A
Pin 8 -12V, .1A
Pin 9 GND
Pin 10 GND
Pin 11 GND
Pin 12 SC2
Pin 13 SC1
Pin 14 SC0
Pin 15 GND
The daydream appears to be a "dumb" device. As far as I can tell it waits for predetermined sequence from the daydream kernel over serial and then begins dumping the rom row by row to be read into memory. I have been exploring this handshake using a USB serial adapter as I documented in another thread. You can set a boot loop by using 'sd daydream' as your default boot device. When you do this you get a repeating pattern in a serial console. Example at 115200:
xx~x~xxx~xNxpx@x~x>xNxxpx0x@xx~x~~x>x>~xNxN~xx~xpxp~x0x0~x@x@~xxx~x~~x~~x~xx>x>~x>~x>xxNxN~xN~xNxxx~x~xxxpxp~xp~xpxx0x0~x0~x0xx@x@~x@~x@xxx~xxx~x~~x~~x~xx~x~cx~xx~`xx~x~xxxxcx|x`xfxf~xf~xfxxfxfgxf|xf`xx~x~xxxxcx|x`xxxx~xx~xxxxxxxcxxxxx`xx~x~xxxxcx|x`x`x`~x`~x`xx`x`cx`|x``xx~x~xxxxqxx8q8
It of course is not in ASCII, so I've been looking for a serial debugger I can use on the Mac (probably going to need to install windows). After I have the hex sequence to send to the device, I will hook up the device to a serial console and record the output. I'm pretty sure we then just need to feed this back when prompted by the daydream kernel. There is then no need to reverse engineer the actual hardware.
Anyone can replicate what I've done so far without the daydream hardware. If you're able to get the output from the next into a serial debugger, please contact me.
--
Brian
brian,
I am curious if during normal operation (without forcing the sd boot daydream command), if the RS-232 pins are used?
Since there is also an SSI synchronous port available, which already provides a clock, why not use it instead? There also has to be a reset line to reset the 74HC4040 counters and start reading the ROMs at address 0.
can you start the Daydream emulator in normal operating mode and scope the the SSI lines while booting up to see which lines are active?
-- jose k.
Quote from: "korneluk"There also has to be a reset line to reset the 74HC4040 counters and start reading the ROMs at address 0.
That mysterious 8-pin chip might be a simple 555 timer chip. If I see this correctly, pins 6, 7 and 8 are connected - this might be using the 555 in monoflop mode, perhaps similar to this setup from wikipedia:
If my assumption is correct, pin 3 of the 8-pin IC should be connected to the reset input (pin 11) of the 4040 counters.
-- Michael
Quote from: "cuby"Quote from: "korneluk"There also has to be a reset line to reset the 74HC4040 counters and start reading the ROMs at address 0.
If my assumption is correct, pin 3 of the 8-pin IC should be connected to the reset input (pin 11) of the 4040 counters.
-- Michael
Michael,
timer pin 3 should be connected to pin 10 CLK* so that the counters count up and generate the addresses at the output.
since the timer is free-running (easy to verify with a scope), the counters need to be controlled by a reset line, either from the GAL or directly from the DSP port.
this is the basic scheme how the addresses are generated.
now, we need to add the address decoding and chip select, in the correct sequence, for each of the ROMs 0-3.
Quote from: "Rob Blessin Black Hole"Quote from: "mikeboss"unfortunately he suddenly ceased responding to my e-mails :( this was in april of 2012. his intention was to give me stuff to be found in their archives... his e-mail address can be found using google so it's no big secret. if anybody wants to try: his name is andy grawehr, the mail is agrawehr[at]quix.ch
I tried and his response is below , I have no problem asking Apple permission to use Roms from the Jurassic period to reassurect a cool old app . I doubt they will send out the posse to round us up as the trails gone cold lol.
Best Regards Rob Blessin
President, Black Hole, Incorporated
3007 Conestoga Ct.
Fort Collins, CO 80526
303-741-9998
http://www.blackholeinc.com/
"NeXTSTEP is probably the most respected software on the planet" Byte Magazine
-----Original Message-----
>From: Andy Grawehr <agrawehr@quix.ch>
>Sent: Dec 2, 2014 1:35 PM
>To: "'Rob Blessin Black Hole , Inc'" <bhi1@ix.netcom.com>
>Subject: RE: NeXT Computers and Daydream LIVES!
>
>Hello Rob,
>Yes I remember your name... that was a long time ago!! Nice..
>Indeed I get queries about Daydream still, about one or two per year. The problem is that we terminated the license agreement with Apple, and hence can no longer ship Apple ROMs. Its copyrighted material... Sorry on that one..
>I still have a 040 Cube. After 15 years I booted it for the first time recently. Still works. It was and still is good technology.
>Greetings,
>Andy Grawehr
>
>-----Original Message-----
>From: Rob Blessin Black Hole , Inc [mailto:bhi1@ix.netcom.com]
>Sent: Tuesday, November 04, 2014 11:03 AM
>To: info@quix.ch
>Cc: andy@quix.ch
>Subject: NeXT Computers and Daydream LIVES!
>
>
>Hello Grawehr Andy / Quix developers: I know we have done NeXT business! My name is Rob Blessin , I've been reselling NeXT hardware full time for 20 years . It looks like you Are the same developers that invented the Daydream box for NeXT computers. If yes do you have any NeXT Daydreams still floating around?
>
>We are still keeping the NeXT Dream alive after all of these years at http://www.blackholeinc.com.
>
>As the original Daydream developers would you help us resurrect Daydream for the die hard NeXT owners or please give us permission to try (We really need your help, it will be fun) and we would invite you to join NeXTcomputers.org Forums many thanks.
>
>We appreciate your time. Best regards Rob Blessin
>
>Best Regards Rob Blessin
>President, Black Hole, Incorporated
>3007 Conestoga Ct.
>Fort Collins, CO 80526
>303-741-9998
>http://www.blackholeinc.com/
>"NeXTSTEP is probably the most respected software on the planet" Byte Magazine
>
Rob,
We do not need Apple ROMs, as they are still fairly easily available in older machines.
Could you ask Andy just for the schematic and GAL equations to the Daydream PCB?
Tank you very much,
-- jose k.
Quote from: "korneluk"this is the basic scheme how the addresses are generated.
now, we need to add the address decoding and chip select, in the correct sequence, for each of the ROMs 0-3.
Quote from: "korneluk"Quote from: "Rob Blessin Black Hole"Quote from: "mikeboss"unfortunately he suddenly ceased responding to my e-mails :( this was in april of 2012. his intention was to give me stuff to be found in their archives... his e-mail address can be found using google so it's no big secret. if anybody wants to try: his name is andy grawehr, the mail is agrawehr[at]quix.ch
I tried and his response is below , I have no problem asking Apple permission to use Roms from the Jurassic period to reassurect a cool old app . I doubt they will send out the posse to round us up as the trails gone cold lol.
Best Regards Rob Blessin
President, Black Hole, Incorporated
3007 Conestoga Ct.
Fort Collins, CO 80526
303-741-9998
http://www.blackholeinc.com/
"NeXTSTEP is probably the most respected software on the planet" Byte Magazine
-----Original Message-----
>From: Andy Grawehr <agrawehr@quix.ch>
>Sent: Dec 2, 2014 1:35 PM
>To: "'Rob Blessin Black Hole , Inc'" <bhi1@ix.netcom.com>
>Subject: RE: NeXT Computers and Daydream LIVES!
>
>Hello Rob,
>Yes I remember your name... that was a long time ago!! Nice..
>Indeed I get queries about Daydream still, about one or two per year. The problem is that we terminated the license agreement with Apple, and hence can no longer ship Apple ROMs. Its copyrighted material... Sorry on that one..
>I still have a 040 Cube. After 15 years I booted it for the first time recently. Still works. It was and still is good technology.
>Greetings,
>Andy Grawehr
>
>-----Original Message-----
>From: Rob Blessin Black Hole , Inc [mailto:bhi1@ix.netcom.com]
>Sent: Tuesday, November 04, 2014 11:03 AM
>To: info@quix.ch
>Cc: andy@quix.ch
>Subject: NeXT Computers and Daydream LIVES!
>
>
>Hello Grawehr Andy / Quix developers: I know we have done NeXT business! My name is Rob Blessin , I've been reselling NeXT hardware full time for 20 years . It looks like you Are the same developers that invented the Daydream box for NeXT computers. If yes do you have any NeXT Daydreams still floating around?
>
>We are still keeping the NeXT Dream alive after all of these years at http://www.blackholeinc.com.
>
>As the original Daydream developers would you help us resurrect Daydream for the die hard NeXT owners or please give us permission to try (We really need your help, it will be fun) and we would invite you to join NeXTcomputers.org Forums many thanks.
>
>We appreciate your time. Best regards Rob Blessin
>
>Best Regards Rob Blessin
>President, Black Hole, Incorporated
>3007 Conestoga Ct.
>Fort Collins, CO 80526
>303-741-9998
>http://www.blackholeinc.com/
>"NeXTSTEP is probably the most respected software on the planet" Byte Magazine
>
Rob,
We do not need Apple ROMs, as they are still fairly easily available in older machines.
Could you ask Andy just for the schematic and GAL equations to the Daydream PCB?
Tank you very much,
-- jose k.
Hello Jose and all: I sent Andy a friendly message with a peace offering of a new NeXT Keyboard and Mouse for his cube with an invitation to join the forum! So I'll keep you posted . Best regards Rob Blessin
Ok, so it looks like the initial handshake is done with the async serial lines and then the synchronous serial interface is used. I have confirmed this by disconnecting both. In the case of no asyn, the device won't boot at all. If you disconnect the synchronous serial then it will start to boot and then hang for a while before rebooting.
Also the device is required to be present to continue functioning. There is some communication happening anytime the rom toolbox would be called. If the device is powered down, the system will reboot.
Quote from: "korneluk"Quote from: "gtnicol"Should be able to able to do that. If you tell me what you need, I can throw an ohmeter on there too...
gtnicol,
Two needs/requests:
1. what is the value of the three resistors next to the 7805 regulator?
2. can you trace (ohm out) the connections from the 15-pin connector to the 26-pin IDC header on the PCB?
The info will help with the schematic while I wait for the ordered parts to start a wire-wrap prototype.
TYVM,
-- josé k.
gtnicol,
I am ready to start wire-wrapping a prototype DayDream - do you have the connections from the 15-pin connector to the flat cable connector on the PCB?
Thank you very much for all the help,
So who wants a dump of the GAL? Fair warning, I don't have an additional chip to test the flash yet. I found a match from china, but it'll probably be a month before it gets here.
http://www.asterontech.com/Asterontech/daydream/DayDreamGAL16v8a.JED.zipProvided this works we'll have new daydreams soon because everything else is pretty straight forward. I won't have time until the end of July so I figured I'd give someone else a go at it.
--
Brian
Quote from: "barcher174"So who wants a dump of the GAL? Fair warning, I don't have an additional chip to test the flash yet. I found a match from china, but it'll probably be a month before it gets here.
http://www.asterontech.com/Asterontech/daydream/DayDreamGAL16v8a.JED.zip
Provided this works we'll have new daydreams soon because everything else is pretty straight forward. I won't have time until the end of July so I figured I'd give someone else a go at it.
--
Brian
Downloaded the file, will order some parts to program.
I'll check through my chip bin. I think I got a suitable chip. I think it's time to pull out the perfboard as well. :D
Edited: Dammit. They were PAL16R8ACN's
Well I got my chips in from china, but no luck getting them to run in the daydream. They are the same part number, but are from lattice and not national. The system just keeps rebooting. I notice also that the voltage regulator is getting much hotter. I ran the .jed through a disassembler and got the following equations:
; JED2EQN -- JEDEC file to Boolean Equations disassembler (Version V063)
; Copyright (c) National Semiconductor Corporation 1990-1993
; Disassembled from ../DAYDREAM.JED. Date: 6-14-115
;$GALMODE SMALL
chip GAL16V8A
i1=1 i2=2 i3=3 i4=4 i5=5 i6=6 i7=7 i8=8 i9=9 GND=10 /i11=11 f12=12
f13=13 f14=14 o15=15 o16=16 f17=17 f18=18 f19=19 VCC=20
@ues 21ff4000ffffffff
equations
/f19 = /i2 * i1 * /i1 * i3 * /i3 * f19 * /f19 * i4 * /i4 * f18 * /f18
* i5 * /i5 * f17 * /f17 * i6 * /i6 * f14 * /f14 * i7 * /i7 * f13
* /f13 * i8 * /i8 * f12 * /f12 * i9 * /i9 * /i11 * i11
+ /i2 * i1 * /i1 * i3 * /i3 * f19 * /f19 * i4 * /i4 * f18 * /f18
* i5 * /i5 * f17 * /f17 * i6 * /i6 * f14 * /f14 * i7 * /i7 * f13
* /f13 * i8 * /i8 * f12 * /f12 * i9 * /i9 * /i11 * i11
+ vcc
+ /i2 * i1 * /i1 * i3 * /i3 * f19 * /f19 * i4 * /i4 * f18 * /f18
* i5 * /i5 * f17 * /f17 * i6 * /i6 * f14 * /f14 * i7 * /i7 * f13
* /f13 * i8 * /i8 * f12 * /f12 * i9 * /i9 * /i11 * i11
+ /i2 * i1 * /i1 * i3 * /i3 * f19 * /f19 * i4 * /i4 * f18 * /f18
* i5 * /i5 * f17 * /f17 * i6 * /i6 * f14 * /f14 * i7 * /i7 * f13
* /f13 * i8 * /i8 * f12 * /f12 * i9 * /i9 * /i11 * i11
+ /i2 * i1 * /i1 * i3 * /i3 * f19 * /f19 * i4 * /i4 * f18 * /f18
* i5 * /i5 * f17 * /f17 * i6 * /i6 * f14 * /f14 * i7 * /i7 * f13
* /f13 * i8 * /i8 * f12 * /f12 * i9 * /i9 * /i11 * i11
+ /i2 * i1 * /i1 * i3 * /i3 * f19 * /f19 * i4 * /i4 * f18 * /f18
* i5 * /i5 * f17 * /f17 * i6 * /i6 * f14 * /f14 * i7 * /i7 * f13
* /f13 * i8 * /i8 * f12 * /f12 * i9 * /i9 * /i11 * i11
+ vcc
/f18 = vcc
+ vcc
+ vcc
+ vcc
+ vcc
+ vcc
+ vcc
+ vcc
/o15 = vcc
+ vcc
+ vcc
+ vcc
+ vcc
+ vcc
+ vcc
+ vcc
/f12 = vcc
+ vcc
+ vcc
+ vcc
+ vcc
+ vcc
+ vcc
+ vcc
Just an FYI, I suspect that my firmware dump may be bad. I have ordered a new programmer which has specific support for the NS gal which should be here in next month.
--
Brian
Quote from: "barcher174"Just an FYI, I suspect that my firmware dump may be bad. I have ordered a new programmer which has specific support for the NS gal which should be here in next month.
--
Brian
This will help our Daydream endeavor !
Hello Simon: I approved you so hopefully you will see this post I went ahead and posted your correspondence here as well as it will be a great help having you on this project as the original developer your help is invaluable and much appreciated! Best Regards Rob Blessin I'll also add this to the existing thread!
by the way great work on Daydream Simon, it has always been totally amazing!
Hi Rob,
I came across your project to reverse engineer daydream. Back in the 90's, Andy Grawehr did the hardware, marketing, sales, legal, run the company, etc. I was the guy who wrote the entire software (NeXT Step launcher, DSP, MacOS device drivers, etc). It was basically just a two-men company those days. I left Quix a very long time ago and do not have any records (for legal reasons). But I will try remember as much as possible.
For a start: the 8-pin chip is an (512 byte?) EEPROM. It holds the MacOS NVRAM/PRAM as well as a decryption key for the daydream kernel. I think we also kept some statistical information around in that chip as well as the name of the customer that bought it. Reading the content back should be fairly simple.
While the GAL isn't that complicated (basically generating the chip selects), reverse engineering the protocol we talk over the DSP port is a different story. There is quite some bit fiddling going on and I would have to spend some time with a scope to get that back.
As far as I remember, I first read the entire EEPROM, run some sanity checks on the content and then start reading the Apple ROMs. On shutdown, the EEPROM is written back from am memory copy that is kept around in the daydream kernel. So this might be a good starting point because much less data is involved on shutdown compared to the startup. There is also a background task in the kernel while running MacOS that reads from time to time from the DSP port to check if the daydream box is still plugged in. That's also worth a try since only a few bytes are transferred each time.
A different approach would be hacking the software. We were really proud of our copy protection back then (as far as I know, daydream never got hacked) so that's a challenge of it's own. But we had a version that was able to read the Apple ROM images from disk an that code might still be around in the daydream kernel.
BTW, if you plug in the daydream box without Apple ROMs, you should be able to play Tetris (built into the daydream kernel) instead of booting MacOS Smile
I registered on the forum and await the ok from your admin.
Bests,
Simon
_________________
Rob Blessin President computerpowwow ebay sales@blackholeinc.com
http://www.blackholeinc.com303-741-9998 Serving the NeXT Community since 2/9/93
thanks for the warm welcome and the flowers :-) it was an exciting time back then.
just out of curiosity: is the goal of this endeavor to recreate the hardware and leave the software as-is or do you just want to have MacOS running on the black hardware?
if you're after the hardware, I would suggest to use an arduino board and emulate the daydream box via the GPIO pins. As far as I remember, we use the SC0-SC2 pins for communication and not the SSI. I can try to figure out the protocol we talk on these lines. My old Tektronix scope should still be ok for the job.
If it's about the software, I will fire up my cube (hope it still boots - it is sitting around for quite a while now), grab the kernel and run it through a disassembler. I wrote most of the kernel in assembler so I should be able to read & understand my own code pretty easily ;-). With a bit of luck I will remember the bits of the encryption and copy protection and we can start hacking the software.
let me know which route you want to go and I will see what I can recover.
Definitely software! Very glad to have you on the forums. Im sure we can get your cube up and running whatever state its currently in.
Thanks
Brian
Ok, software then. Just replaced the battery on the board and hit the power key and my cube still boots fine. Quite impressive for a 23 year old machine. My avatar image is taken from the 17" monochrome display with my phone ... so much regarding data transfer in the digital age ;-) I will hook the cube to my LAN tomorrow and have a glance at the daydream kernel. Any findings (and flashbacks) will most likely end up here.
Quote from: "schubige"Ok, software then. Just replaced the battery on the board and hit the power key and my cube still boots fine. Quite impressive for a 23 year old machine. My avatar image is taken from the 17" monochrome display with my phone ... so much regarding data transfer in the digital age ;-) I will hook the cube to my LAN tomorrow and have a glance at the daydream kernel. Any findings (and flashbacks) will most likely end up here.
Hello Simon: This is really cool , if you need anything for your cube please let me know , it'll be free on me including! If your NeXT monitor is dim for example , we have a custom video cable solution that will work with a NeXT soundbox allowing you to use a flat panel monitor not sure if you have a dimension board but I also have a 13W3 to VGA cable that works with flat panels as well.
Also out of curiosity would it be possible to have it run later versions of MAC OS run on DayDream as I think the last version supported was 7.55 or 7.6 obviously the moon shot would be a Daydream version running Rhapsody or MAC OSX on black hardware.
You may have an interest in seeing the amazing work on "previous" the NeXT emulator for running 68040 here on the forums under emulation as well as it may speed up software compiles if needed.
As you have amazing insight into the hardware and software , one of the bottlenecks in large hard drive support in NeXTSTEP and Openstep any thoughts?
It would be really neat to hear the story of DayDream and its background , also they are producing a Documentary on NeXT and the Appwrapper if you would like to participate . Jesse Tyler is the producer and I will be happy to put you in touch or you may contact him directly. They are working here currently under the NeXT Dimension section .
Best Regards ROB BLESSIN
simon, let me know if you need anything. I do have stuff that might be useful:
working MO drives
dd-images of almost every NeXT OS release
external SCSI-to-CF reader
SCSI-to-CF adapters
working CD-ROM drives
NeXT to SoundBox/VGA cables (mono)
regards,
michael
Quote from: "Rob Blessin Black Hole"Also out of curiosity would it be possible to have it run later versions of MAC OS run on DayDream as I think the last version supported was 7.55 or 7.6 obviously the moon shot would be a Daydream version running Rhapsody or MAC OSX on black hardware.
As I understand it, the original Daydream was using Mac Ii ROM (or an other 68020-68030 era mac ROM), therefore limiting the supported version to 7.5. Using a Quadra mac ROM should allow the installation of Mac os 8.1, the last version compatible with a 68040 processor.
More recent Mac os versions, including Rhapsody, require a Powerpc processor and won't run on the 68k processor found in black hardware.
I would be very interested in a new version of the software and the ability to run mac os 8.1 on my nextstation!
"I will hook the cube to my LAN" - easier said than done. Just saw that my 68030 board only has a 10BASE2 connector. All my 10BASE2 equipment is long gone... Therefore no easy way to grab files from that box. Does anyone have the latest daydream (2.11, I guess) "Kernel&App" disk (as tgz, zip, etc.)? That would be my starting point for the reverse engineering. The "previous" emulator (great work, congratulations!) will certainly help tracing through daydream code.
Regarding MacOS support: as igor_av said, Rhapsody and OSX are out of reach because they were compiled for PPC and x86 hardware only. As soon as we have a running daydream, we can look at Mac OS versions from 7.6 up to 8.1 (the last version that supported 68k CPUs).
@ROB: the large disk support is a bit off-topic. As far as I know, there are multiple spots in the NeXT boot ROM and the mach kernel which impose a 2GB limit on the partition size. Multiple 2GB partitions shouldn't cause any problems (you may have to write your own disktab entries though).
Quote from: Rob Blessin Black HoleQuote from: "schubige"
It would be really neat to hear the story of DayDream and its background , also they are producing a Documentary on NeXT and the Appwrapper if you would like to participate . Jesse Tyler is the producer and I will be happy to put you in touch or you may contact him directly. They are working here currently under the NeXT Dimension section .
Feel free to put me in contact with Jesse. I will be in California end of September if that helps. I'm happy to tell a few tales around daydream. But the real story is about the follow-up (codnamed "dilithium") which was our MacOS port to IBM & Motorola PReP hardware. It stirred up quite some dust (google for "quix prep" or have a look at http://articles.latimes.com/1998/sep/28/business/fi-27219).
I do own a 10Base2 <-> 10Base-T media converter box (including a coax-cable of course) I could lend you. I'd even send you one of my 68040 cube main logic boards if needed...
Quote from: schubigeQuote from: "Rob Blessin Black Hole"Quote from: "schubige"
It would be really neat to hear the story of DayDream and its background , also they are producing a Documentary on NeXT and the Appwrapper if you would like to participate . Jesse Tyler is the producer and I will be happy to put you in touch or you may contact him directly. They are working here currently under the NeXT Dimension section .
Feel free to put me in contact with Jesse. I will be in California end of September if that helps. I'm happy to tell a few tales around daydream. But the real story is about the follow-up (codnamed "dilithium") which was our MacOS port to IBM & Motorola PReP hardware. It stirred up quite some dust (google for "quix prep" or have a look at http://articles.latimes.com/1998/sep/28/business/fi-27219).
Hello Simon: I sent Jesse and you an introduction email so hopefully that will work great! I have some 68040 25MHz NeXT Motherboards with new capacitors , if you need one let me know I can mail you one as they have an RJ 45 ethernet connector as well.
I read the article you what you accomplished is truly amazing work only to be cast aside ! It may have been a different world and direction for MAC OS.
A bit off topic but fun to ponder: Now as far as a PPC upgrade board for NeXT , I've heard rumors somebody moded a NeXT board to run a 603E on a daughter card , I've personally never seen it and I'm not sure if there ever was PPC compatible code and there is this http://www.nextcomputers.org/NeXTfiles/Images/Rare_NeXT_Hardware/NRW-NeXT_RISC_Workstation/ another fun project to get that NeXT running , I'm wondering how many of the Turbo Color Board chips would transfer over!
Best Regards Rob Blessin
Some work done over the weekend: I've got all the files needed (thanks mikeboss) and ran them through the disassembler. The output is quite readable and I started working on a little tool that patches the daydream kernel. As expected, there is no easy backdoor but I successfully hacked the copy protection/encryption (we were designing for all possible attacks on the code but forgot what my future-self will still remember ;-) ). It looks actually quite feasible to run without the ROM box. The plan is to decrypt the kernel, patch it, let the tool implant the Mac ROM into the daydream kernel and rewrite to ROM copy routine. I still have to find a good way to replace the EEPROM in the ROM box for the MacOS PRAM. A file would be the obvious choice but space for new code is quite tight in the kernel (I dont't want to start relocating the kernel). I will keep that in the back of my head. And probably we need a new name for that reborn daydream (at least for the kernel file). Any suggestions (besides "nightmare" ;-) ) are welcome!
@Rob: Thanks for your intro. Let's see what Jesse thinks about it. Thanks for the link to the NRW. I never came across these pictures. We at Quix were also thinking of designing a PPC card along the lines of the Apple card (
https://en.wikipedia.org/wiki/Macintosh_Processor_Upgrade_Card). Besides lifting daydream into the PPC world, it would also have allowed us to fix the color problems with the next color stations once and for all in hardware.
@mikeboss: A 68040 board would be highly appreciated. Turn around cycles are quite an issue. The faster the better. I will send you my postal address if that's OK.
so... I just got off the phone. had a nice chat with simon :D since he lives only about 70 miles away from my place I'm going to send him one of my '040 cube main logic boards. this new "nightmare" kernel needs to become reality :twisted:
way to go simon, this is true hacker-spirit!
Quote from: "schubige"Some work done over the weekend: I've got all the files needed (thanks mikeboss) and ran them through the disassembler. The output is quite readable and I started working on a little tool that patches the daydream kernel. As expected, there is no easy backdoor but I successfully hacked the copy protection/encryption (we were designing for all possible attacks on the code but forgot what my future-self will still remember ;-) ). It looks actually quite feasible to run without the ROM box. The plan is to decrypt the kernel, patch it, let the tool implant the Mac ROM into the daydream kernel and rewrite to ROM copy routine. I still have to find a good way to replace the EEPROM in the ROM box for the MacOS PRAM. A file would be the obvious choice but space for new code is quite tight in the kernel (I dont't want to start relocating the kernel). I will keep that in the back of my head. And probably we need a new name for that reborn daydream (at least for the kernel file). Any suggestions (besides "nightmare" ;-) ) are welcome!
@Rob: Thanks for your intro. Let's see what Jesse thinks about it. Thanks for the link to the NRW. I never came across these pictures. We at Quix were also thinking of designing a PPC card along the lines of the Apple card (https://en.wikipedia.org/wiki/Macintosh_Processor_Upgrade_Card). Besides lifting daydream into the PPC world, it would also have allowed us to fix the color problems with the next color stations once and for all in hardware.
@mikeboss: A 68040 board would be highly appreciated. Turn around cycles are quite an issue. The faster the better. I will send you my postal address if that's OK.
I would call the new DayDream for what it is a "Masterpiece" best regards Rob Blessin
Some more work done on the patch tool. Except for the PRAM the tool is ready for the first test run. I pushed the source to
https://bitbucket.org/. If someone wants to play around / have a look, let me know and I will send out an invitation. mikeboss will mail me a '040 board (thanks!) and I will start testing as soon as it arrives. BTW, just figured that we can't change the name of the kernel without hacking the app as well. The Daydream.app writes the configuration to /daydream. bummer. But we can still call it "internally" by whatever name you like. what about "darkmatter"?
Quote from: "schubige"Some more work done on the patch tool. Except for the PRAM the tool is ready for the first test run. I pushed the source to https://bitbucket.org/. If someone wants to play around / have a look, let me know and I will send out an invitation. mikeboss will mail me a '040 board (thanks!) and I will start testing as soon as it arrives. BTW, just figured that we can't change the name of the kernel without hacking the app as well. The Daydream.app writes the configuration to /daydream. bummer. But we can still call it "internally" by whatever name you like. what about "darkmatter"?
Darkmatter it is ! I'm interested in having a look so will the new app actually require an external dongle with roms, arduino , or will it be all software driven. I also have an original DayDream dongle do I use that?
If all software I've often wondered if it would work pointing it at a custom darkmatter rom boot file for Mac on a NeXT which would be amazing ....
It makes one ponder if the opposite is also possible a NeXTSTEP/ Openstep port to 68040 Quadras would be possible using a special app with NeXT rom ...
In running the darkmatter patch tool , what happens does it launch the app ? I have every form of NeXT hardware here so let me know if you would like me to test it including NeXT dimension boards . Should be fun...
Best regards Rob Blessin
For now it will be daydream without the ROM box. Everything which is done in the ROM box will be replaced by equivalent software parts. Users will have to patch an existing daydream kernel and provide a Mac LC ROM image file (easily found on the web). And then you're good to go (meaning, boot MacOS). No additional hardware required. The patch tool is quite flexible (it has a built-in m68k assembler) so we may continue to work on it and bring even MacOS 8.1 to the black hardware. It will support all black hardware including next dimension boards (same as the original daydream).
I would love to try it. So a good test would be to boot with the daydream and then pull it during operation to confirm the kernel is no longer checking for the device?
Quote from: "schubige"For now it will be daydream without the ROM box. Everything which is done in the ROM box will be replaced by equivalent software parts. Users will have to patch an existing daydream kernel and provide a Mac LC ROM image file (easily found on the web). And then you're good to go (meaning, boot MacOS). No additional hardware required. The patch tool is quite flexible (it has a built-in m68k assembler) so we may continue to work on it and bring even MacOS 8.1 to the black hardware. It will support all black hardware including next dimension boards (same as the original daydream).
Holy Moly this is really amazing , yes I want to try this I'm kind of chuckling just a little as now I have hundreds of NeXT's that'll also be "black op" Macs in disguise shhhh LOL .
Wishlist : I'm also willing to try this experiment out with the PPC daughter card you pointed out if I can find one. It looks like it would plug into a 68040 processor socket , I would add an extra cooling fan. I'm thinking when we can get the updated Daydream Kernal working with MAC OS 8.1 and the NeXT boots as a MAC perhaps the PPC upgrade software installs would run Daydream to MAC OS 8.1 then with software for the PPC chip daughter cxard upgrade is found on an existing socketed NeXT 68040 33Mhz Motherboard with new capacitors strong probability it would boot.
If it did work then in mad scientist theory ; a software NeXTSTEP/ Openstep port of the PPC daughter card may be workable like the Pyro clock speed doubler or Nitro but I don't know if that requires NeXT source code.
Also another questions what creates the bottleneck with the ram as far as larger module support using existing sockets on NeXT hardware as it would be great to support more ram ? I'll research the max on a Quadra 040 for fun.
Kudos to all the gurus we have joining these forums , this is a lot of fun for me!
Quote from: "Rob Blessin Black Hole"It makes one ponder if the opposite is also possible a NeXTSTEP/ Openstep port to 68040 Quadras would be possible using a special app with NeXT rom ...
That's a much more complex task. I obviously don't know the details of the Daydream, but the older Aladdin and Spectre Mac emulators for the Atari ST worked by extensively patching the Mac ROM with their own device driver routines etc. This is rather easy on the Mac, since all code is encapsulated in resources, which can be easily replaced - that's what more recent versions of MacOS also did. I suspect Daydream works in a quite similar way.
In order to run NS/OS on 68k Macs, one would ideally port NeXT's Mach kernel to Mac hardware. Unfortunately, the sources of Mach 2.0/2.5 are not publically available and Mach 3.0 (which was the basis for OS X) has quite significant changes. The ROM contents are rather irrelevant, the ROM isn't used by the kernel after boot.
There was some work years ago to add Mach-O binary format and Mach port/message semantics to NetBSD. This code was at least capable of executing simple text-based OS X/ppc code on NetBSD:
http://hcpnet.free.fr/applebsdThis might be a good starting point, but it will definitely require some man-years of programming and reverse engineering to turn it into a kernel which can execute a complete NS/OS userland for 68k.
-- Michael
Quote from: "cuby"Quote from: "Rob Blessin Black Hole"It makes one ponder if the opposite is also possible a NeXTSTEP/ Openstep port to 68040 Quadras would be possible using a special app with NeXT rom ...
That's a much more complex task. I obviously don't know the details of the Daydream, but the older Aladdin and Spectre Mac emulators for the Atari ST worked by extensively patching the Mac ROM with their own device driver routines etc. This is rather easy on the Mac, since all code is encapsulated in resources, which can be easily replaced - that's what more recent versions of MacOS also did. I suspect Daydream works in a quite similar way.
In order to run NS/OS on 68k Macs, one would ideally port NeXT's Mach kernel to Mac hardware. Unfortunately, the sources of Mach 2.0/2.5 are not publically available and Mach 3.0 (which was the basis for OS X) has quite significant changes. The ROM contents are rather irrelevant, the ROM isn't used by the kernel after boot.
There was some work years ago to add Mach-O binary format and Mach port/message semantics to NetBSD. This code was at least capable of executing simple text-based OS X/ppc code on NetBSD: http://hcpnet.free.fr/applebsd
This might be a good starting point, but it will definitely require some man-years of programming and reverse engineering to turn it into a kernel which can execute a complete NS/OS userland for 68k.
-- Michael
Hello Michael: Thanks for the pointers , more of a pipe dream but I think it would be possible. I often wondered if NeXT may have had a secret port to 040 Macs as the architecture of the NeXT 68040's had a lot of similarities to Mac's of the parallel time and alot of the NeXT guru's were former Apple Mac engineers! I think Mike Paquette would probably know if a port existed NeXT had a lot of development irons in the fire. I guess I should probably stay on topic with this thread regarding DayDream just really excited about it all.
This is a very interesting project! I wonder if the daydream kernel will run in the Previous emulator out of the box. If not, my goal is to make it work.
I am interested in what concept is used for abstraction of the NeXT hardware and emulation of the parts necessary to run Mac OS. Or is everything done by patching the Mac ROM with custom drivers?
I'm especially interested in how daydream communicates with the NeXTdimension board. The question is, if there is a way to emulate the NeXTdimension on the topmost abstraction layer.
hi andreas. you're one of the "previous" delevopers, right? great work! i used "previous" to bootstrap the darkmatter/daydream hack to the point where daydream tinkers with the hardware and things started breaking apart.
daydream is a combination of MacOS ROM patches (very few) and rewritten Mac OS device drivers (video, enet, scsi, serial, floppy, ...) - I guess you know the mileage. I'm happy to help you to get daydream running with "previous". I don't think it will be that complicated.
The next dimension board is basically just used as a frame buffer. For each ND board I simulate a video card (with ROM etc.) in a simulated NuBus slot. It's used by MacOS/QuickDraw like any other 3rd party video card.
good news from the darkmatter front. I received the '040 board from mikeboss today and my hacked daydream worked out of the box (well, almost). MacOS starts booting but hangs at some point during the boot process. I will investigate further but this is pretty close to a working darkmatter/daydream. Check this out (you have to copy paste the link - the forum doesn't like it with the url markup):
https://onedrive.live.com/redir?resid=85F82C85086387B5!37156&authkey=!ACJ5c3aMtM_Bvts&ithint=video%2cmp4
Yes, I am one of the developers. I wrote the code for the devices (SCSI controller, MO drive controller, DMA controller, floppy controller, etc) and most system registers. I also wrote the code for the 68030 MMU.
Except for the MMU, I used a minimalistic approach. That means the emulation is good enough to make the NeXT ROM and kernel happy, but besides from that it is incomplete.
I think it mostly depends on the Mac OS device drivers, how difficult the implementation of the missing hardware features will be.
If I understand correctly, the graphics acceleration features of the NeXTdimension where not used and the NeXTdimension VRAM was just written with the plain screen contents?
Yes, we just let QuickDraw mess around with the VRAM on the ND. If you like to get daydream running with previous, I can certainly help you with the various hardware devices. Working on darkmatter/daydream is much easier with previous than on the real hardware. So I'm very interested in some progress there.
If you give me the required files and a short instruction on what needs to be done for getting the daydream/darkmatter kernel to boot, i will have a look if i can fix the problems.
I am very short with time at the moment, so i can't promise a timeframe for the fixes.
Quote from: "schubige"good news from the darkmatter front. I received the '040 board from mikeboss today and my hacked daydream worked out of the box (well, almost). MacOS starts booting but hangs at some point during the boot process. I will investigate further but this is pretty close to a working darkmatter/daydream. Check this out (you have to copy paste the link - the forum doesn't like it with the url markup): https://onedrive.live.com/redir?resid=85F82C85086387B5!37156&authkey=!ACJ5c3aMtM_Bvts&ithint=video%2cmp4
wow!!! incredible progress in virtually no time. congratulations, very impressive work!
As expected, the MacOS boot-hang was only a PRAM issue. This is fixed now and you can start testing darkmatter on black hardware. You find the patch tool here:
https://onedrive.live.com/redir?resid=85F82C85086387B5%21111In addition to "darkmatter.jar" you need:
* A recent JRE (Java Runtime Environment). The patch tool runs on Windows, Mac OS or Linux
* A Mac LC ROM image file (not LC II and not LC III, works only with LC ROM); google for "350EACF0 - Mac LC.ROM"
* A daydream 2.11 kernel file; you find it on this site.
What you don't need anymore:
Invoke the tool with
java -jar darkmatter.jar daydream "350EACF0 - Mac LC.ROM"This will create a folder "darkmatter" which contains the new kernel (size after patch should be 655360 bytes). Enjoy!
P.S.: I will be off for one week of vacation. Looking forward to your comments.
Quote from: "schubige"As expected, the MacOS boot-hang was only a PRAM issue.
Excellent - I got the patch tool to work on Yosemite with JDK8 and was able to patch the kernel, will try to boot tonight.
Quote* A daydream 2.11 kernel file; you find it on this site.
If you don't want to extract the daydream 2.11 update floppy image from floppy on your NeXT, you can also mount the UFS disk image using the ufs driver from OSXfuse (
http://osxfuse.github.io):
ufs --dmg update-v2.11.img --type nextstep ~/mntThanks for your excellent work!
-- Michael
Wow! This was amazingly fast! I can't remember projects I did 6 months ago and here you picked this up like you did it yesterday. My hat is off to you. I'll try it out this weekend.
Thanks,
Brian
great news
IT WORKS!!! 8)
so far I discovered two tiny little flaws/oddities:
Mini7.dydream starts to boot, shows happy mac but then suddenly stops and displays the floppy with the blinking question mark.
my own System 7 HD image boots just fine though. the only thing I found not working is "Shut Down" from within System 7. the Mac just freezes after initiating the shutdown command. AFAIR this worked with the daydream ROMbox attached (can't check because I sold/traded mine some time ago). Restart on the other hand works flawless.
EDIT:
it looks like my "Mini7.daydream.compressed" might be corrupt. will investigate further...
Very cool, I'm dusting off my NeXStation turbo to try it out :)
The floppy drive is broken and the mouse is a little bit hard to control. But i guess this is still good news :wink:

Macintosh System 7 boots in Previous!
Hi
I run with a message that application does not run, not even the Daydream.app shows its icon,
any help will be welcome, please
It turns out that the floppy drive in my NeXTstation turbo colour is dead. :(
Quote from: "NeXTnewbe"Hi
I run with a message that application does not run, not even the Daydream.app shows its icon,
any help will be welcome, please
Try running as root?
Quote from: "barcher174"Quote from: "NeXTnewbe"Hi
I run with a message that application does not run, not even the Daydream.app shows its icon,
any help will be welcome, please
Try running as root?
yes, I id ran the app as root :( but not luck either, I'm testing it in a NeXT Step 3.3 turbo Cube
Is there anything in the console log?
I'm using the Mini7.daydream from the floppy set and the boot process just hangs on the darkmatter logo.
command ~ (reboot mac env) shows a disk icon with a floppy
Quote from: "Venture37"It turns out that the floppy drive in my NeXTstation turbo colour is dead. :(
Heck I have new old stock NeXT 2.88 floppy drives I'll sell to forum members for just $10 and $7 shipping , if you are international priority mail flat rate small box is $26.50 We accept paypal for payment to sales@blackholeinc.com
I'm going to jump in on the install DarkMatter beta test party , I'm just doing a fresh install of Openstep 4.2 for a Cube I'm working on for a customer today and tomorrow . Hopefully I can surprise them with a Darkmatter install!
Best regards Rob Blessin
Quote from: "Rob Blessin Black Hole"Heck I have new old stock NeXT 2.88 floppy drives I'll sell to forum members for just $10 and $7 shipping , if you are international priority mail flat rate small box is $26.50 We accept paypal for payment to sales@blackholeinc.com
Thanks Rob, I'll let you know :)
Quote from: "Rob Blessin Black Hole"I'm going to jump in on the install DarkMatter beta test party , I'm just doing a fresh install of Openstep 4.2 for a Cube I'm working on for a customer today and tomorrow . Hopefully I can surprise them with a Darkmatter install!
Good luck, I'm using a turbo colour slab here with Openstep 4.2 without much luck.
Quote from: "Venture37"Quote from: "Rob Blessin Black Hole"Heck I have new old stock NeXT 2.88 floppy drives I'll sell to forum members for just $10 and $7 shipping , if you are international priority mail flat rate small box is $26.50 We accept paypal for payment to sales@blackholeinc.com
Thanks Rob, I'll let you know :)
Quote from: "Rob Blessin Black Hole"I'm going to jump in on the install DarkMatter beta test party , I'm just doing a fresh install of Openstep 4.2 for a Cube I'm working on for a customer today and tomorrow . Hopefully I can surprise them with a Darkmatter install!
Good luck, I'm using a turbo colour slab here with Openstep 4.2 without much luck.
http://www.nextcomputers.org/NeXTfiles/Docs/Hardware/Daydream/ I just uploaded a zip of all Apple Rom files including the one we need and the patched kernal darkmatter.zip to here so you won't have to fiddle with JAVA JRE to
http://www.nextcomputers.org/NeXTfiles/Docs/Hardware/Daydream/ . Thanks Mike for the patched kernel .
A MAC OS system 7.1 image is available here
http://www.blackholeinc.com/docs/MACOSsystem7.1/Best regards Rob Blessin
tried to boot the daydream kernel directly without running Daydream.app by running bsd daydream from the boot ROM, same thing.
Tried detaching the floppy drive in case it was that, same :(
System just hangs at the darkmatter logo.
Quote from: "Rob Blessin Black Hole"I just uploaded a zip of all Apple Rom files including the one we need and the patched kernal darkmatter.zip to here so you won't have to fiddle with JAVA JRE to http://www.nextcomputers.org/NeXTfiles/Docs/Hardware/Daydream/ . Thanks Mike for the patched kernel .
A MAC OS system 7.1 image is available here http://www.blackholeinc.com/docs/MACOSsystem7.1/
Best regards Rob Blessin
Same here, copied daydream to /
Copied Macintosh_HD.dsk to /Mini7.daydream
I indeed had a corrupt Mini7.daydream. after decompressing it I always ended up with a file of several hundred kilobytes in size. the one I've got now (thanks andreas_g) weighs in at 5'242'880 bytes and it works.
the Shut Down bug still remains though...
I managed to install the App and the kernel, but now it freezes at boot time when trying to load the mini7.daydream
the current size of the mini7 is about 5MB
:(
I make it work, on the preferences I had selected to use the Dimension card and I had also created a new hard drive to use
wow really great work guys!!
I need to try the full System 7 now :)
Thanks
hmm, I did not touch the setting regarding the dimension board under the assumption that as my system was incapable of having one, the setting would be ineffective.
Quote from: "Venture37"hmm, I did not touch the setting regarding the dimension board under the assumption that as my system was incapable of having one, the setting would be ineffective.
have you choose "black & white" instead?
I also selected all the SCSI drives just in case is trying to find where the mini7.daydream image
Quote from: "NeXTnewbe"have you choose "black & white" instead?
I also selected all the SCSI drives just in case is trying to find where the mini7.daydream image
No, I left it as default, I have a next station turbo colour.
For the scsi devices, I just uncrossed the scsi hdd, according to docs, this is for exposing devices connected to NeXT host to the MacOS guest. enabling IDs which are unused will just prolong boot time as the probe on that ID needs to timeout.
then you might want only to select "Dimension only" as the default one is "Dimension and B&W" so your initial S& screen will be presented on the B&W
Just wanted to post these here for clarity while testing. The following Key combinations on boot will come in handy:
ALT CMD ESC : Terminate and restart immediately
CMD ~ : Restart
ALT CMD * : Full Reboot
I've got the hacked kernel running on my turbo dimension cube using an external disk I pulled from an LC II. For some reason I can't get my SSD drive to work with the daydream, but I don't think that's the fault of this hack. 7.5 runs amazingly fast on this.
Quote from: "NeXTnewbe"then you might want only to select "Dimension only" as the default one is "Dimension and B&W" so your initial S& screen will be presented on the B&W
I'll try fiddling with those settings and seeing if it makes a difference later this week (if not then the weekend) and report back.
Holy CRAP! :shock:
I go away on vacation to Japan and while I'm away this massive breakthrough happens. The removed requirement for the Daydream box. That's.....uh, that's WAY beyond what I hoped to accomplish when I started this thread years ago. Thank you guys for continuing to tweak on this in my downtime. Especially you, schubige.
Quote from: "andreas_g"The floppy drive is broken and the mouse is a little bit hard to control. But i guess this is still good news :wink:

Macintosh System 7 boots in Previous!
I'm trying to figure out how you did this install on Previous 1.1.
Did you have a dmg file of Darkmatter to start the installation? Did you mount it as a cdrom or hard drive image in previous.
I think the version of the kernel in the NeXTComputers.org archives needs to be updated as well. Does any one have a Daydream 2.11 kernel not the upgrade ?
http://www.nextcomputers.org/NeXTfiles/Docs/Hardware/Daydream/I uploaded a darkmatter.jar file to the archives under the above directory, can someone please verify this works for a Previous Install as well as blackhardware install
For experience I'm trying to get the JAVA jre, jar update to work and it gives me an error looking at the upgrade 2.11 kernel so I think I need a newer file to upload to the archive to make it easier for anyone doing this in the future.
I'm will to write instructions once I have it down to a science as I'm probably over complicating this somehow...
I'm also trying to figure out how to move everything over for a blackhardware install without having a MAC OS to NeXT NeXTwork using a cd burner or zip drive or floppies .
I'm guessing the hybrid disk image may work so the thought is burn a readable disk image that has darkmatter ready to go under MAC OSX disk utility, disk image from folder then selecting hybrid as format.
Do you then just see the theorized newly created NeXT file compatible darmatter.dmg by mounting it as a drive in previous and copy the files from it to the NeXT hard drive and proceed with the darkamatter install ?
I'm assuming you also run any java commands in a terminal window of MAC OSX first so it in effect patches the Daydream kernel with the updated darkmatter code then this code is burned to a hybrid image readable be NeXT
I've spent 12 hours trying every which way and sunday to get the previous install going so I'm guessing it is some puzzle piece I have cockaroo that I'm missing and it all points to a clean 2.11 kernel not a 1.41 to 2.11 upgrade path to then use the JAVA instructions on to update the kernel to Darkmatter compatibility.
I think I may be able to make a 2.11 kernel by starting and install on a NeXT box first using the 1.41 then updating to 2.11 If all else fails.
Installing in Previous is not too difficult:
First you need to install the Daydream.app and the minimal System 7 image that comes with it. Then you can create an empty DOS-formatted floppy by formatting the empty1440.fd using NeXTstep 3.3 inside Previous. That image can be mounted in Mac OS X (rename to something.dmg). Then copy the hacked daydream/darkmatter kernel to the image and go back to NeXTstep to install it. That's it!
I didn't test the darkmatter kernel that you uploaded. But you can create one using the instructions from schubige. Your problems might be related to outdated Java or something similar.
Please note: Using Previous for darkmatter is not worth the trouble at the moment. There are lots of problems and most things (like floppy) just don't work. Better wait until these are fixed.
Quote from: "andreas_g"Installing in Previous is not too difficult:
First you need to install the Daydream.app and the minimal System 7 image that comes with it. Then you can create an empty DOS-formatted floppy by formatting the empty1440.fd using NeXTstep 3.3 inside Previous. That image can be mounted in Mac OS X (rename to something.dmg). Then copy the hacked daydream/darkmatter kernel to the image and go back to NeXTstep to install it. That's it!
I didn't test the darkmatter kernel that you uploaded. But you can create one using the instructions from schubige. Your problems might be related to outdated Java or something similar.
Please note: Using Previous for darkmatter is not worth the trouble at the moment. There are lots of problems and most things (like floppy) just don't work. Better wait until these are fixed.
Thank you, I'll try this , how did you get the Daydream.app and system7 to appear inside of previous ?
Just add the appropriate images (I found them in the files section of the forum) as floppy to Previous. They will mount automatically.
I think if we want to discuss this further, we should create a separate thread.
Quote from: "andreas_g"Just add the appropriate images (I found them in the files section of the forum) as floppy to Previous. They will mount automatically.
I think if we want to discuss this further, we should create a separate thread.
I know I'm close, I can get Daydream the old version 2.11 to start up then it reboots to Openstep 4.2 in previous....
I'm assuming I need just the daydream file located in just the root directory of openstep 4.2 in order to run the java patch on the kernel .
There has to be an easy way to do this .... here is what happens when I try and mount just the daydream file it as a floppy image so I can see it in MAC OSX .... When I open this in MAC OSX Daydream_docs_n_floppies.tar emergency-v1.41.img
kernel_n_app-v1.41.img
mini7.daydream.img
update-v2.11.img ..... this one holds the 2.11 kernel I need, how the heck to I open this to get at the daydream file and run this script below to patch the kernel with the darkmatter upgrade...
This is the error I get , so I know the daydream file needs to be separated from the update-v2.11.img , then below should work...
users-mac-mini:~ user$ java -jar /Users/user/Downloads/darkmatter.jar /Users/user/Downloads/Previous_1.1a/disks/daydream /Users/user/Downloads/mac_rom_archive_-_as_of_8-19-2011/350EACF0\ -\ Mac\ LC.ROM
*** darkmatter v0.1
*** daydream kernel 2.11 patcher
*** Thanks to Francis Gagné for m68k reasm
Reading... /Users/user/Downloads/Previous_1.1a/disks/daydream
Not a version 2.11 daydream kernel
Thank you for your help!
Best regards Rob Blessin
Quote from: "Rob Blessin Black Hole"update-v2.11.img ..... this one holds the 2.11 kernel I need, how the heck to I open this to get at the daydream file and run this script below to patch the kernel with the darkmatter upgrade...
This is the procedure:
1. Get the empty1440.fd file that is included with Previous and rename it to floppy.dmg
2. Boot NeXTstep 3.x or later in Previous and insert floppy.dmg to the virtual floppy drive.
3. NeXTstep tells, that it can't be mounted with the option to initialize it. Initialize it as DOS floopy, copy the daydream kernel file to it and eject it.
4. Mount floppy.dmg under Mac OS X, apply the darkmatter patch to the daydream file and unmount it.
5. Insert it to Previous' virtual floppy drive again and copy the hacked kernel to the root directory. That's it.
rob, there's no need to fiddle with the patch and/or JAVA. just use the already pre-patched daydream kernel I've sent you.
regards,
michael
Quote from: "mikeboss"rob, there's no need to fiddle with the patch and/or JAVA. just use the already pre-patched daydream kernel I've sent you.
regards,
michael
Hello Michael: I'm not totally clueless on NeXT software without instructions as I've figured out a heck of a lot of stuff in the past but I'm stumped here.
I'm guessing and overcoming a learning curve. I've done just about everything with NeXT , so I'm guessing I'm making this really overly complicated so your help is appreciated. I know I'm probably not alone in this . Am I missing this is there now a darkmatter.app or is it still daydream.app hybrid so we still use that daydream.app to launch darkmatter?
Do I install the Daydream.app first on a NeXT in this case I'm using previous and using the files in the archive. I get Daydream to work by using the 2.11 kernel =daydream file setting it under root in the highest directory and clicking Daydream.app and launching it with go , it goes through the boot process obviously looking for the rom then defaults back to the Openstep 4.2 login screen
I understand this patched darkmatter.jar file is the key
I have darkmatter.jar , I'm assuming that .jar means open the jar am I supposed to unarchive the jar file in MAC OSX or mount the darkmatter.jar file in previous after logged in under Openstep 4.2
>>> OK I understand this explains jar files ...
https://en.wikipedia.org/wiki/JAR_%28file_format%29 and I know see the contents when unarchiving it in MAC OSX by doing this out pops a bunch of directories
ca
com
darkmatter
javax
license
META-INF
org
This is where I need further advice , is the only important directory here darkmatter ? Do I rename this file darkmatter.dmg ? Do I also need the license directory file? What about the other directories?
To be honest I have never worked with a jar file until now . I'm going to start a new thread How to install Darkmatter for a complete newby on a NeXT Workstation or Cube.
:roll: :roll:
Hi Rob,
The only thing that has changed is the darkmatter kernel. The only things you need are the 2.11 update floppy and the new hacked kernel. Install the daydream.app from this disk. Then put the dark matter kernel on the root directory of your boot disk (the pre-hacked version provided by mikeboss works perfectly). You can then use the daydream app as you normally would.
The reason the developer has released this in terms of a java file is so that he in no way runs the risk of violating copyright. He can release the patcher to us and it's at our discretion to use. Mikeboss has done all the work for us and made the file available. In order to apply that patch yourself you will need to supply an unmodified kernel and the proper mac rom.
--
Brian
The darkmatter.jar does not contain the kernel. It is an application, that patches the daydream kernel. You can do that using the following command on a system with the latest java installed:
java -jar darkmatter.jar daydream "350EACF0 - Mac LC.ROM"
From mikeboss' above post I read, that he sent you a kernel, where the patch has already been applied. So you can skip that.
Just follow my above instructions (you can skip to copy the daydream kernel file under 3. and skip to apply the darkmatter patch under 4. if you use mikeboss' file).
You can just use the normal DayDream.app. Replacing the kernel with the new one is all you need to do.
Quote from: "andreas_g"The darkmatter.jar does not contain the kernel. It is an application, that patches the daydream kernel. You can do that using the following command on a system with the latest java installed:
java -jar darkmatter.jar daydream "350EACF0 - Mac LC.ROM"
From mikeboss' above post I read, that he sent you a kernel, where the patch has already been applied. So you can skip that.
Just follow my above instructions (you can skip to copy the daydream kernel file under 3. and skip to apply the darkmatter patch under 4. if you use mikeboss' file).
You can just use the normal DayDream.app. Replacing the kernel with the new one is all you need to do.
Yeah I'm making progress wearing my dunce cap,
I have Darkmatter when it reboots then a goes to a gray screen on Previous, I'm thinking it has to be the way I have system 7.1 configured. I didn't have the floppies mounted correctly but no worries I know practically everyway not to do this install now.
I still want to tackle doing the java kernel upgrade just for my experience, I know I'm close there but Mike's does work and Andrea's instructions for Previous install are spot on !
I would like to make perhaps a zip package that folks can burn to cd from MAC OSX , the archive with correct format readable by NeXT and step by step install instructions along with original docs and software to make this painless as possible , even a how to you tube video .
AS most of you only have one NeXT or a few but I'm dealing with hundreds / thousands of NeXT users lol and everyone that owns a NeXT past , present anf future will want this Darkmatter app feature for sure LOL. It is truly a game changer for Black Hardware owners thank you all .
Wow a bunch of shuffling virtual floppies, and cross compiling from linux to windows (yay) and I got it to run.
Yes, I know softpc in MacOS, on a NeXT is silly but I think it's kind of awesome. :P
:shock: :D
It's the silliest and crazyiest thing I ever see in emulation world :shock: :D
Clap clap !
:lol:
Quote from: "jvernet":shock: :D
It's the silliest and crazyiest thing I ever see in emulation world :shock: :D
Clap clap !
:lol:
I could install esxi on windows, install linux in that, previous in linix, darkmatter to macos, softpc and then battletech. .... but i have too much of a life, lol
Quote from: "neozeed"
I could install esxi on windows, install linux in that, previous in linix, darkmatter to macos, softpc and then battletech. .... but i have too much of a life, lol
Give a try ;)
The last time I tried previous was under Virtual Box running OSX on my office PC ;).
I have finally a fully system 7 working on Darkmatter on a NeXTCube. Thank you guys
but I have not be able to open any CD on System7, I don't think CD units are supported :(
Quote from: "NeXTnewbe"
but I have not be able to open any CD on System7, I don't think CD units are supported :(
System 7 needs its own (hacked) CD-ROM System-Extension in order to support (non-Apple) CD drives. here's a how-to ->
http://wayback.archive.org/web/20040606063123/http://www.resexcellence.com/hack_html_99/12-21-98.shtml
Quote from: "mikeboss"Quote from: "NeXTnewbe"
but I have not be able to open any CD on System7, I don't think CD units are supported :(
System 7 needs its own (hacked) CD-ROM System-Extension in order to support CD drives. here's a how-to ->
http://wayback.archive.org/web/20040606063123/http://www.resexcellence.com/hack_html_99/12-21-98.shtml
Or patch Previous to respond to the Apple OEM call on CD devices... I added it in a Basilisk II (
https://sourceforge.net/p/cockatrice/git/ci/master/tree/BasiliskII/dummy/scsi_dummy.cpp) fork I occasionally mess around with. I took the SCSI code from Previous and got it to act more 'apple' like.
I don't think a NeXT would care if you used Apple OEM'd HD's and CD-ROMS.. but I could be wrong. Also there is no TOC code, but AFAIK there isn't any in Previous either.
Quote from: "neozeed"Wow a bunch of shuffling virtual floppies, and cross compiling from linux to windows (yay) and I got it to run.
I loved that game...
Quote from: "degs"Quote from: "neozeed"Wow a bunch of shuffling virtual floppies, and cross compiling from linux to windows (yay) and I got it to run.
I loved that game...
It was cool to hack, all the 3025 'mechs are in there. The engine was capable of doing everything you could do in the original Battletech rules. Shame in a way it was before DLC was even a thing. Or that nobody hacked a map editor (that I'm aware of).
But on the PC, it runs great with CGA, and 2MB of disk space. But it looks better with EGA or VGA/MCGA.
Back from my vacation and I'm happy to see that this thread is so vivid. So actually this is all about running DOS games on black hardware? Just kidding.
What I can gather from the various posts is:
* Darkmatter seems to work on all balck hardware (030 and 040 cube I tested myself, turbo cube + next dimension reported by barcher174)
* Previous is getting there - I'm working with andreas to smooth out the edges
* Darkmatter does not shut down properly under MacOS. I will have a look into that as it may point to some more troubles under the hood.
* Darkmatter does not like OpenStep formatted disks. AFAIK this was also the case with the original daydream. I will have a look into that. What would help me here is a disk image of an OpenStep formatted disk which is ignored by darkmatter/daydream and any information about the filesystem changes from NeXTStep to OpenStep. But I can also dig into darwin source code as everything should be there.
I can provide you with an image of OS 4.2. drop me an e-mail and I will send you the link to the file on my webserver -> mb@offworld.ch
Quote from: "schubige"Back from my vacation and I'm happy to see that this thread is so vivid. So actually this is all about running DOS games on black hardware? Just kidding.
What I can gather from the various posts is:
* Darkmatter seems to work on all balck hardware (030 and 040 cube I tested myself, turbo cube + next dimension reported by barcher174)
* Previous is getting there - I'm working with andreas to smooth out the edges
* Darkmatter does not shut down properly under MacOS. I will have a look into that as it may point to some more troubles under the hood.
* Darkmatter does not like OpenStep formatted disks. AFAIK this was also the case with the original daydream. I will have a look into that. What would help me here is a disk image of an OpenStep formatted disk which is ignored by darkmatter/daydream and any information about the filesystem changes from NeXTStep to OpenStep. But I can also dig into darwin source code as everything should be there.
This should help with Openstep developer docs:
http://www.nextcomputers.org/NeXTfiles/Docs/Developer/OPENSTEP/ If you need an Openstep 4.2 Developer Image as well either Mike or myself can provide one and you will also probably want the Openstep Y2K patch's for user/developer .
I'm working on a Cube currently for Hartmut Esslinger and I think he will be joining the NeXT forums in the coming weeks. Its exciting because he actually is the original designer of the NeXT Computer and many other NeXT/Apple projects at Frog Design
http://www.frogdesign.com/about/history.html with Steve Jobs! So I'm going to install Darkmatter on his cube as well. Best Regards Rob Blessin
Hi,
can those of you who succeeded in getting Darkmatter to work in Previous please post some details about your configuration? No matter what I try, I always end up with a grey screen after the darkmatter startup screen goes away...
At the grey screen, the emulator seems to be stuck in an endless loop:
IO write at $0211400b val=00 PC=$40c094ec
[RTC] reading val $33 from addr $26 at PC=$40c09d5e
[RTC] reading val $12 from addr $25 at PC=$40c09d5e
[RTC] reading val $04 from addr $24 at PC=$40c09d5e
[RTC] reading val $20 from addr $22 at PC=$40c09d5e
[RTC] reading val $49 from addr $21 at PC=$40c09d5e
[RTC] reading val $24 from addr $20 at PC=$40c09d5e
Bus error lget at 40c50140
Interrupt mask: 00000000
Interrupt mask: 80001000
Interrupt mask: 80001000
IO write at $02118004 val=00 PC=$40c13b38
SCC B, Reg9 write: c0
SCC: Device Reset
Interrupt mask: 80001000
Interrupt mask: 80001000
Interrupt mask: a0001001
I tried Previous compiled from svn, rev. 498 (on Ubuntu 14.04 at the moment) with different configurations (68030/040 cube/station), OpenStep 4.2 is installed. When I switch the emulation to 68030, darkmatter stops at the splash screen, btw. Tried my own patched daydreamkernel as well as the one provided by Rob.
-- Michael
Quote from: "cuby"Hi,
can those of you who succeeded in getting Darkmatter to work in Previous please post some details about your configuration? No matter what I try, I always end up with a grey screen after the darkmatter startup screen goes away...
At the grey screen, the emulator seems to be stuck in an endless loop:
IO write at $0211400b val=00 PC=$40c094ec
[RTC] reading val $33 from addr $26 at PC=$40c09d5e
[RTC] reading val $12 from addr $25 at PC=$40c09d5e
[RTC] reading val $04 from addr $24 at PC=$40c09d5e
[RTC] reading val $20 from addr $22 at PC=$40c09d5e
[RTC] reading val $49 from addr $21 at PC=$40c09d5e
[RTC] reading val $24 from addr $20 at PC=$40c09d5e
Bus error lget at 40c50140
Interrupt mask: 00000000
Interrupt mask: 80001000
Interrupt mask: 80001000
IO write at $02118004 val=00 PC=$40c13b38
SCC B, Reg9 write: c0
SCC: Device Reset
Interrupt mask: 80001000
Interrupt mask: 80001000
Interrupt mask: a0001001
I tried Previous compiled from svn, rev. 498 (on Ubuntu 14.04 at the moment) with different configurations (68030/040 cube/station), OpenStep 4.2 is installed. When I switch the emulation to 68030, darkmatter stops at the splash screen, btw. Tried my own patched daydreamkernel as well as the one provided by Rob.
-- Michael
It cant read openstep disks
Quote from: "neozeed"Quote from: "cuby"I tried Previous compiled from svn, rev. 498 (on Ubuntu 14.04 at the moment) with different configurations (68030/040 cube/station), OpenStep 4.2 is installed. When I switch the emulation to 68030, darkmatter stops at the splash screen, btw. Tried my own patched daydreamkernel as well as the one provided by Rob.
It cant read openstep disks
Thanks - that was the one thing I didn't try. Unfortunately, with 3.3, darkmatter is still stuck at the grey screen and seems to hang in the same location. Strange...
Update: Stupid me, I didn't use Andreas' previous_mmu branch. With this, it works out of the box...
Yes, the previous_mmu branch is where andreas does all his great work for daydream/darkmatter.
There is an updated version of the darkmatter patch tool available at
https://onedrive.live.com/redir?resid=85F82C85086387B5%2139247When you invoke it with the "-previous" option, it applies previous specific patches. Without the option, it's optimizing the kernel for the black hardware.
java -jar darkmatter.jar -previous daydream "350EACF0 - Mac LC.ROM"Currently it only fixes the very jumpy mouse cursor in Previous. But there will be probably more to come.
Enjoy. Simon
I don't think we should have an emulator-specific version of darkmatter. The problems should be fixed on the emulator side to best reflect the behavior of black hardware.
I don't know why the mouse cursor in Mac OS is that jumpy on Previous. Is it also faster (compared to NeXTstep) in Mac OS on real black hardware?
Quote from: "andreas_g"Is it also faster (compared to NeXTstep) in Mac OS on real black hardware?
no, as far as I can tell.
I also prefer a non-Previous specific version of darkmatter. It's just a (temporary) workaround to get some cursor control with daydream on Previous. This is all work-in-progress at a very hacky stage.
What I remember is that I do the mouse speed scaling only on the non-ADB hardware. ADB is passed more or less directly to MacOS and vice-versa. Even ADB hardware dongles are known to work with daydream and NeXT ADB hardware.
The reason for the scaling on non-ADB hardware is that mouse interrupts come very frequently and that you hardly see values beyond -7...7 on the real hardware out of a (theoretical) range of -128..127 (or was it -64..63?). MacOS expects values in the range of -64..63 thus the scaling from -7..7 to -64..63. If Previous breaks down a single SDL mouse event into multiple interrupts and smaller relative movements it should work.
The bug that power-off didn't work with MacOS 7.1 is fixed. There was another access to the ROM box which I missed in my initial disassembly. I still have no clue what's the purpose of that access (it just waits for a response and returns). My memory is finally failing me after all these years. Anyway, it's patched now and shutdown works fine with MacOS 7.1. Updated darkmatter is here:
https://onedrive.live.com/redir?resid=85F82C85086387B5%2139247
I have 2 dumb questions about daydream.
First is that everything I run, reports the CPU capped as a 68020. Obviously cubes are 68030/68040's. Is this just programs checking the ROM, or is it intercepting any check and reporting the 020?
How difficult is the jump from an LC to say a Quadra's ROM? The Basilisk thing seems to make it look like the normal apple drivers have normalized identifiers and hooks that can just be intercepted.. Obviously it's WAY WAY above my head!
Awesome stuff, I took a SCSI partitioned disk image, set it to SCSI ID 3, like it says n the manual, and it popped right up, and working! Very cool!
QuoteFirst is that everything I run, reports the CPU capped as a 68020. Obviously cubes are 68030/68040's. Is this just programs checking the ROM, or is it intercepting any check and reporting the 020?
The physical address layout of a NeXT is quit different from a Mac. Thus daydream uses the MMU (Memory Management Unit - translates between logical and physical addresses) to put together a layout which is more like a real Mac (mainly memory starting at 0x0, the ROM at the right location, devices at some MacOS friendly place). If we tell MacOS that it has a '030 or a '040 under the hood, it will use the MMU for it's own purposes (mostly virtual memory on MacOS) and discard the layout daydream puts in place. That's why it says '020 (68020 has no MMU) - the MMU is our last line of defence. Keep in mind that this is not an Emulation (as Basillisk is) where potentially every instruction can have some special treatment. Daydream just makes the NeXT look as much as possible as a Mac LC, replace a few drivers and off it goes. PowerPC Macs have universal ROMs which are way more configurable. E.g. there are tables describing the physical layout of the hardware. But porting them to NeXT is at least a 1-2 man-year project.
Quote from: "schubige"QuoteFirst is that everything I run, reports the CPU capped as a 68020. Obviously cubes are 68030/68040's. Is this just programs checking the ROM, or is it intercepting any check and reporting the 020?
The physical address layout of a NeXT is quit different from a Mac. Thus daydream uses the MMU (Memory Management Unit - translates between logical and physical addresses) to put together a layout which is more like a real Mac (mainly memory starting at 0x0, the ROM at the right location, devices at some MacOS friendly place). If we tell MacOS that it has a '030 or a '040 under the hood, it will use the MMU for it's own purposes (mostly virtual memory on MacOS) and discard the layout daydream puts in place. That's why it says '020 (68020 has no MMU) - the MMU is our last line of defence. Keep in mind that this is not an Emulation (as Basillisk is) where potentially every instruction can have some special treatment. Daydream just makes the NeXT look as much as possible as a Mac LC, replace a few drivers and off it goes. PowerPC Macs have universal ROMs which are way more configurable. E.g. there are tables describing the physical layout of the hardware. But porting them to NeXT is at least a 1-2 man-year project.
Basilisk started out as ShapeShifter for the Amiga. It doesn't emulate a mac persay, rather it hooks into the ROM and usurps default vectors for various drivers. Since nobody is making 68k kit anymore it includes the UAE cpu emulation so you can run it on all kinds of things.
That being said, if daydream is using the MMU to fake out the MacOS memory map, then yeah it's something completely different. And this would be why shapeshifter could run on a 68020, ie without MMU.
I was just curious as to what was under the hood, it's pretty impressive stuff!
Has anyone had any luck configuring networking? I have configured macTCP but I can't ping the cube or see any apple shares I have configured. I'm running 7.5.3. It appears open transport requires a 68030 (Daydream reports 68020 as previously discussed) cpu so only "classic" networking is available.
QuoteBasilisk started out as ShapeShifter for the Amiga. It doesn't emulate a mac persay, rather it hooks into the ROM and usurps default vectors for various drivers. Since nobody is making 68k kit anymore it includes the UAE cpu emulation so you can run it on all kinds of things.
Thanks for pointing this out. For the technical readers, a very good article is the "Basillisk II Technical Manual":
http://basilisk.cebix.net/TECHFollowing this document, what daydream does is very close to Basillisk "Mode 4, Native CPU" of operation. Daydream also runs in supervisor mode giving full access to the CPU and hardware.
The impossible is sometimes quite possible. Thank's to darkmatter's flexibility it's not that difficult to extend daydream now. Especially together with Previous it becomes a quite powerful development environment. I wish I had that 20 years ago. We always dreamed of 68040 in-circuit emulators... The whole hack needs still some cleanup but
Mac OS 8.1 is able to run with Mac LC ROMs! Darkmatter/daydream now basically tells the system that it is a Mac LC with a '040 accelerator board. Et voilà, with a bit of System file hacking the whole thing boots into the Finder:
https://onedrive.live.com/redir?resid=85F82C85086387B5%2141530https://onedrive.live.com/redir?resid=85F82C85086387B5%2141529For the sake of recursion:
https://onedrive.live.com/redir?resid=85F82C85086387B5%2141531
Quote from: "schubige"The impossible is sometimes quite possible. Thank's to darkmatter's flexibility it's not that difficult to extend daydream now. Especially together with Previous it becomes a quite powerful development environment. I wish I had that 20 years ago. We always dreamed of 68040 in-circuit emulators... The whole hack needs still some cleanup but Mac OS 8.1 is able to run with Mac LC ROMs! Darkmatter/daydream now basically tells the system that it is a Mac LC with a '040 accelerator board. Et voilà, with a bit of System file hacking the whole thing boots into the Finder:
https://onedrive.live.com/redir?resid=85F82C85086387B5%2141530
https://onedrive.live.com/redir?resid=85F82C85086387B5%2141529
For the sake of recursion:
https://onedrive.live.com/redir?resid=85F82C85086387B5%2141531
In a word awesome , I'll see if I can roiund up my MAC OS 8.1 disk .... will 8.1 work now ( I realize its beta) under Darkmatter on a NeXT ?
Best regards Rob Blessin
Quote from: "schubige"QuoteFirst is that everything I run, reports the CPU capped as a 68020. Obviously cubes are 68030/68040's. Is this just programs checking the ROM, or is it intercepting any check and reporting the 020?
The physical address layout of a NeXT is quit different from a Mac. Thus daydream uses the MMU (Memory Management Unit - translates between logical and physical addresses) to put together a layout which is more like a real Mac (mainly memory starting at 0x0, the ROM at the right location, devices at some MacOS friendly place). If we tell MacOS that it has a '030 or a '040 under the hood, it will use the MMU for it's own purposes (mostly virtual memory on MacOS) and discard the layout daydream puts in place. That's why it says '020 (68020 has no MMU) - the MMU is our last line of defence. Keep in mind that this is not an Emulation (as Basillisk is) where potentially every instruction can have some special treatment. Daydream just makes the NeXT look as much as possible as a Mac LC, replace a few drivers and off it goes. PowerPC Macs have universal ROMs which are way more configurable. E.g. there are tables describing the physical layout of the hardware. But porting them to NeXT is at least a 1-2 man-year project.
Regarding the 1-2 man-year project , we are just the guys to do it he he he .... may be if stuff were assigned in modules , heck I'm willing to try smaller stuff it would be yet another fun project for spare time. We are getting a lot of new users and increased forum activity as more people are restoring NeXTs or using it in emulation and looking for fun stuff to do.
I would also like to see an graphical NeXT / Openstep app that would make it easy to configure a NeXT or emulator to get on line. The thought is it steps you through how to configure it to work with Comcast or other cable modems. I know we have Timothy Luoma's Cable Modem FAQ but an app would make it so much easier. I'll start another thread on this.
Quote
In a word awesome , I'll see if I can roiund up my MAC OS 8.1 disk .... will 8.1 work now ( I realize its beta) under Darkmatter on a NeXT ?
I didn't test it on the real hardware yet. But if it works with Previous, it should work on the black hardware as well. I will cleanup the code and post a Darkmatter update including Mac OS 8.1 install instructions soon.
As you can see in the screenshot, there is no more 68020 stuff around. Darkmatter exposes the full native 68040 to MacOS. The darkmatter/daydream kernel does some tweaking so that the MMU is left alone. But I think that's about as far as we can get wit MacOS on black hardware. Adding sound would be nice though :D . Yet another project...
Quote from: "schubige"The impossible is sometimes quite possible. Thank's to darkmatter's flexibility it's not that difficult to extend daydream now. Especially together with Previous it becomes a quite powerful development environment. I wish I had that 20 years ago. We always dreamed of 68040 in-circuit emulators... The whole hack needs still some cleanup but Mac OS 8.1 is able to run with Mac LC ROMs! Darkmatter/daydream now basically tells the system that it is a Mac LC with a '040 accelerator board. Et voilà, with a bit of System file hacking the whole thing boots into the Finder:
https://onedrive.live.com/redir?resid=85F82C85086387B5%2141530
https://onedrive.live.com/redir?resid=85F82C85086387B5%2141529
For the sake of recursion:
https://onedrive.live.com/redir?resid=85F82C85086387B5%2141531
Wow that's pretty cool! So now I can share the same 'disk' between Basilisk II and Daydream! .. Now we need a 'turbo' button.. or would it really screw with stuff if say the 68040 got boosted to 100Mhz after MacOS booted? or faster?
Quote from: "schubige"
As you can see in the screenshot, there is no more 68020 stuff around. Darkmatter exposes the full native 68040 to MacOS. The darkmatter/daydream kernel does some tweaking so that the MMU is left alone. But I think that's about as far as we can get wit MacOS on black hardware. Adding sound would be nice though :D . Yet another project...
Wow! Amazing work! It will be really helpful to have access to open transport networking too.
Thanks for your hard work!
Brian
QuoteIt will be really helpful to have access to open transport networking too.
OpenTransport seems to load (IE 3.01 and Netscape 4.04 work - as much as they can handle current web technology. Even the Google page is too much for them):
https://onedrive.live.com/redir?resid=85F82C85086387B5%2141539I've also tested MacOS 8.1 on the black hardware ('040 cube):
https://onedrive.live.com/redir?resid=85F82C85086387B5%2141537https://onedrive.live.com/redir?resid=85F82C85086387B5%2141536and on the '030 cube (but this one is rather slow compared to the '040 - better stay with MacOS 7.5)
https://onedrive.live.com/redir?resid=85F82C85086387B5%2141538
Wow that is really an incredible progress in such a short time. Thank you very much for your efforts. Darkmatter is running really good and very fast on my color turbo station (macos 7.5 / 128 MB RAM).
And even with much more memory and in a higher screen resolution then it did when I still had my Amiga 1200 with a 68040/40 turbo card using shapeshifter.
I know that Daydream and the next computers in general never were intended for such things like games but I still could not resist to try to start a couple of game demos like civilization 2, warcraft 1/2 or settlers 2 like I did on shapeshifter on my amiga many years ago. Unfortunately non did like to run complaining that they require a 256 color screen. Since macos is running in thousand of colors on a nextstation color I found this understandable but a little odd. So I guess this kind of software tries to open an unsupported indexed 8 bit color mode?
Civilization 1 demo did start in mono color mode.
Kind regards.
Arrgh...the NeXT color video hardware. I don't know who had that infamous idea to save a few bucks on VRAM and only equip 12 out of 16 bits per pixel with actual VRAM. This makes every attempt to have a different pixel layout than 4:4:4 impossible. Because of that screwed hardware. The Bt 463 is a great RAMDAC which can work with almost any conceivable pixel arrangement but with the NeXT VRAM layout, there is little else than 4:4:4 that can be done.
Furthermore, 12bit direct color is not a layout directly supported by QuickDraw. With the help of Apple, we rewrote substantial parts of QuickDraw to accommodate for that pixel layout (that's the "colorFix" system extension shipped with daydream - basically a huge QuickDraw patch). But applications which write directly manipulate pixel maps (mostly games) don't know about this mode and hence produce all kind of weird colors or don't run at all.
There were some experiments with an offscreen frame buffer supporting all standard MacOS video modes (1,2,4,8,16bit) but the performance overhead to convert the offscreen buffer to the actual frame buffer was so huge that it never made it into the product. Performance would have been very disappointing.
Quote from: "schubige"Furthermore, 12bit direct color is not a layout directly supported by QuickDraw. With the help of Apple, we rewrote substantial parts of QuickDraw to accommodate for that pixel layout ...
So you had official support from Apple when developing Daydream? That's amazing...
Quote from: "schubige"QuoteIt will be really helpful to have access to open transport networking too.
OpenTransport seems to load (IE 3.01 and Netscape 4.04 work - as much as they can handle current web technology. Even the Google page is too much for them):
https://onedrive.live.com/redir?resid=85F82C85086387B5%2141539
I've also tested MacOS 8.1 on the black hardware ('040 cube):
https://onedrive.live.com/redir?resid=85F82C85086387B5%2141537
https://onedrive.live.com/redir?resid=85F82C85086387B5%2141536
and on the '030 cube (but this one is rather slow compared to the '040 - better stay with MacOS 7.5)
https://onedrive.live.com/redir?resid=85F82C85086387B5%2141538
Great, can you publish the already patched file, please :)
I don't have a MAC 8.1 image can this be available too, please
QuoteSo you had official support from Apple when developing Daydream? That's amazing...
Our license agreement (for the LC ROMs and System 7.1) included limited support from Apple. We spent some time in Cupertino at Mariani Avenue to implement the QuickDraw fixes.
I will upload the System 8.1 patches together with a new Darkmatter in the next days. I'm still testing a few things.
Unfortunately I can't upload System files nor installer CD images for the obvious legal reasons. But they are easy to find on the web.
Quote from: "schubige"Arrgh...the NeXT color video hardware. I don't know who had that infamous idea to save a few bucks on VRAM and only equip 12 out of 16 bits per pixel with actual VRAM. This makes every attempt to have a different pixel layout than 4:4:4 impossible. Because of that screwed hardware. The Bt 463 is a great RAMDAC which can work with almost any conceivable pixel arrangement but with the NeXT VRAM layout, there is little else than 4:4:4 that can be done.
Of course this being all emulated, you can control the other side of the fence, and add things that never existed in the NeXT side... I know it's cheating but it may be for a worthy cause....
what you need:
* System 7.5
* System 8.1
* ResEdit
* System 8.1 patches:
https://onedrive.live.com/redir?resid=85F82C85086387B5%2143354 * Latest darkmatter:
https://onedrive.live.com/redir?resid=85F82C85086387B5%2139247[/list]
How-to:- Boot with System 7.5
- Start System 8.1 Installer
- Under "Options...", deselect "Update Apple Hard Disk Drivers"
- Reboot with System 7 (e.g. daydream emergency disk). System 8.1 will not boot without the patches.
- Use ResEdit to copy all resources from "MacOS 8.1 System patches" to the "System" file in the system folder of the newly installed MacOS 8.1
- ResEdit asks to replace resources with the same ID. Close that dialog with "Yes"
- Save the System file and reboot
- MacOS 8.1 should start now
- Copy the "colorFix" system extension to the extensions folder if you run daydream on a NeXT Color Station
- disable all unneeded / unwanted control panels and system extensions
Note:
The memory control panel still shows the option to turn on virtual memory. Don't enable it. You will have to reinstall the system (the setting is written to the System file). I'm still working on that.
stupid questions: daydream seems only to work with the BNC-Ethernet, not the RJ45 one. Does darkmatter work with the RJ45?
I'm not aware of any RJ-45 problems. I just tested it on the cube:
https://onedrive.live.com/redir?resid=85F82C85086387B5%2143723
Maybe a dumb question. Is the 68030/40 support limited to 8.1? I am trying to use the newest kernel with 7.5.3 and it still sees a 68020 CPU.
Thanks,
Brian
I just uploaded a new darkmatter version:
http://1drv.ms/242hxbI. It fixes a bug in the ethernet driver for NeXT turbo hardware. This bug was there for more than 20 years now and finally got fixed :-)
An update is highly recommended for all users with turbo hardware as well as people using darkmatter together with Previous.
Quote from: "schubige"I just uploaded a new darkmatter version: http://1drv.ms/242hxbI. It fixes a bug in the ethernet driver for NeXT turbo hardware. This bug was there for more than 20 years now and finally got fixed :-)
An update is highly recommended for all users with turbo hardware as well as people using darkmatter together with Previous.
Thank you
but sorry for the question, how do I install the patch?
These instructions are still valid:
Quote from: "schubige"
In addition to "darkmatter.jar" you need:
* A recent JRE (Java Runtime Environment). The patch tool runs on Windows, Mac OS or Linux
* A Mac LC ROM image file (not LC II and not LC III, works only with LC ROM); google for "350EACF0 - Mac LC.ROM"
* A daydream 2.11 kernel file; you find it on this site.
What you don't need anymore:
Invoke the tool with
java -jar darkmatter.jar daydream "350EACF0 - Mac LC.ROM"
This will create a folder "darkmatter" which contains the new kernel (size after patch should be 655360 bytes). Enjoy!
But probably someone will provide a patched kernel soon. I'm sorry, but I can't do that for copyright reasons (Mac ROM as well as daydream kernel are copied as part of the patch process). That's the reason for the patch tool.
Quote from: "schubige"I just uploaded a new darkmatter version: http://1drv.ms/242hxbI. It fixes a bug in the ethernet driver for NeXT turbo hardware. This bug was there for more than 20 years now and finally got fixed :-)
An update is highly recommended for all users with turbo hardware as well as people using darkmatter together with Previous.
Thank you I'll Check it out !
Quote from: "mikeboss"so, does this mean that today mr. grawehr has won the lottery?
http://www.theverge.com/2016/5/18/11683536/google-daydream-virtual-reality-announced-android-n-io-2016
I'm fairly sure if it is a currently trademarked name , he probably will deserve mega compensation. Best Regards Rob Blessin
Quote from: "schubige"These instructions are still valid:
Quote from: "schubige"
In addition to "darkmatter.jar" you need:
* A recent JRE (Java Runtime Environment). The patch tool runs on Windows, Mac OS or Linux
* A Mac LC ROM image file (not LC II and not LC III, works only with LC ROM); google for "350EACF0 - Mac LC.ROM"
* A daydream 2.11 kernel file; you find it on this site.
What you don't need anymore:
Invoke the tool with
java -jar darkmatter.jar daydream "350EACF0 - Mac LC.ROM"
This will create a folder "darkmatter" which contains the new kernel (size after patch should be 655360 bytes). Enjoy!
But probably someone will provide a patched kernel soon. I'm sorry, but I can't do that for copyright reasons (Mac ROM as well as daydream kernel are copied as part of the patch process). That's the reason for the patch tool.
I get these errors, what i'm doing wrong:
C:\Temp\Darkmatter>java -jar darkmatter.jar daydream "350EACF0 - Mac LC.ROM"
*** darkmatter 0.5
*** daydream kernel 2.11 patcher by Simon Schubiger
*** Credits:
*** Francis Gagné (m68k reasm)
*** Tony Headford (m68k disassembler)
*** Andreas Grabher (Previous support)
*** Michael Bosshard (NeXT Hardware)
*** Optimizing kernel for black NeXT hardware
Reading... daydream
Reading... 350EACF0 - Mac LC.ROM
Decoding...
Applying patches...
MC68000: Loaded 46371 instructions
darkmatter.patch.Decode...
darkmatter.patch.DrawMenuBar...
darkmatter.patch.UnknownDSPCheck...
darkmatter.patch.DSPUpload...
darkmatter.patch.XPRAM...
Pass 1
Pass 1
darkmatter.patch.Init...
Exception in thread "main" java.io.FileNotFoundException: file:\C:\Temp\Darkmatter\darkmatter.jar!\darkmatter\patch\Init.a.asm (Die
Syntax für den Dateinamen, Verzeichnisnamen oder die Datenträgerbezeichnung ist falsch)
at java.io.FileOutputStream.open(Native Method)
at java.io.FileOutputStream.<init>(Unknown Source)
at java.io.FileOutputStream.<init>(Unknown Source)
at java.io.FileWriter.<init>(Unknown Source)
at darkmatter.Section.writeAsm(Section.java:126)
at darkmatter.Section.writeAsm(Section.java:117)
at darkmatter.patch.Init.patch(Init.java:19)
at darkmatter.Main.main(Main.java:84)
C:\Temp\Darkmatter>
Quote from: "Andreas"I get these errors, what i'm doing wrong:
C:\Temp\Darkmatter>java -jar darkmatter.jar daydream "350EACF0 - Mac LC.ROM"
[...]
darkmatter.patch.Init...
Exception in thread "main" java.io.FileNotFoundException: file:\C:\Temp\Darkmatter\darkmatter.jar!\darkmatter\patch\Init.a.asm (Die
Syntax für den Dateinamen, Verzeichnisnamen oder die Datenträgerbezeichnung ist falsch)
at java.io.FileOutputStream.open(Native Method)
at java.io.FileOutputStream.<init>(Unknown Source)
at java.io.FileOutputStream.<init>(Unknown Source)
at java.io.FileWriter.<init>(Unknown Source)
at darkmatter.Section.writeAsm(Section.java:126)
at darkmatter.Section.writeAsm(Section.java:117)
at darkmatter.patch.Init.patch(Init.java:19)
at darkmatter.Main.main(Main.java:84)
I get the same error when running the jar file code on OS X. I suspect there is a problem (sorry, had a peek inside the classfiles with a Java decompiler) with opening the "Init.a.asm" temporary file for output, since Java assumes this should be located inside the jar file.
This workaround runs successfully for me (darkmatter.jar, daydream kernel and the LC.ROM file in the current directory):
$ mkdir darkmatter
$ cd darkmatter
$ unzip ../darkmatter.jar
$ java -cp . darkmatter.Main ../daydream ../LC.ROMThis results in a daydream kernel with the following md5 sum (haven't tried running the new kernel yet...):
$ md5 ../daydream % Original kernel
MD5 (../daydream) = 2ace94152af70dd909bc803837993ae9
$ md5 darkmatter/daydream % Patched kernel
MD5 (darkmatter/daydream) = 70af8d2951414232edfe3c50775526d9Hope that helps,
Michael
Quote from: "cuby"...snip
Hope that helps,
Michael
OK, works for me also without errors but i get these md5:
3de89b82ed185f02973eb35fb87f517d *daydream
and the kernel is 646.144 bytes, but it should be
Quote from: "schubige"
Invoke the tool with
java -jar darkmatter.jar daydream "350EACF0 - Mac LC.ROM"
This will create a folder "darkmatter" which contains the new kernel (size after patch should be 655360 bytes). Enjoy!
OK, the kernel boots - success :-)
Anyway - as before - i don't get network running on a Turbo Cube. it looks like the cable isn't connected to the router, but it is and works in NS3.3. Pinging the own adress works, pinging the router doesn't work. The MAC-adress is the right one. Any hints?
Quote from: "Andreas"OK, works for me also without errors but i get these md5:
3de89b82ed185f02973eb35fb87f517d *daydream
and the kernel is 646.144 bytes, but it should be
Quote from: "schubige"
Invoke the tool with
java -jar darkmatter.jar daydream "350EACF0 - Mac LC.ROM"
This will create a folder "darkmatter" which contains the new kernel (size after patch should be 655360 bytes). Enjoy!
Maybe I was using a different version of the LC ROM here, that might explain it... good to see that you got it to work!
Quote from: "cuby"
Maybe I was using a different version of the LC ROM here, that might explain it... good to see that you got it to work!
i was using exactly "350EACF0 - Mac LC.ROM"
Quote from: "schubige"I just uploaded a new darkmatter version: http://1drv.ms/242hxbI. It fixes a bug in the ethernet driver for NeXT turbo hardware. This bug was there for more than 20 years now and finally got fixed :-)
The bug seems always present. I have put in a harddrive (NS 3.3 and MacOS 8.1 image) in a monoslab and ethernet works fine.
The same hd in a color turbo or a cube turbo doesn't get me ethernet, se other posts
Sorry for the troubles with the darkmatter patcher. Here is an updated version which should work with "java -jar ...":
https://1drv.ms/u/s!ALWHYwiFLPiFhLMlRegarding the Ethernet: I have no idea what it could be. I've tested it with a turbo cube and I was able to open web pages with Internet Explorer and Netscape Navigator. Anyone else with the same problem? What kind of Ethernet switch do you have between the NeXT and the modem? Could it be that switch's auto-negotiation down to 10MBit/s fails?
Quote from: "schubige"Sorry for the troubles with the darkmatter patcher. Here is an updated version which should work with "java -jar ...":
https://1drv.ms/u/s!ALWHYwiFLPiFhLMl
Regarding the Ethernet: I have no idea what it could be. I've tested it with a turbo cube and I was able to open web pages with Internet Explorer and Netscape Navigator. Anyone else with the same problem? What kind of Ethernet switch do you have between the NeXT and the modem? Could it be that switch's auto-negotiation down to 10MBit/s fails?
Makes no sense, if the switch was the bad one, i had also no network on the NeXTstep side, but on all machines i have network on the NeXTstep side.
i have on the same desktop place tested some spare NeXTs, the same ethernet cable, the same harddrive (same powerplug :-)), same Monitor. Exchanged i have the Soundbox, keyboard, Y-cable from ADB to non-ADB (or to mono) regarding the used NeXT.
I have first tested a NeXT Turbo Color slab, with no ethernet uplink in MacOS, have removed the hard disk and installed it in the NeXT mono nonturbo, booted and Voala, i had an uplink and network after starting the 8.1 harddrive.
The MacPing App shows also the pinging of the router. At now i have configured fixed adresses.
Do you have tested the Turbo with ADB or non-ADB equipment?
It was non-ADB. Is it possible to check if some packets are sent at all over the Ethernet port (e.g. with Wireshark running on another machine) while daydream runs?
Quote from: "schubige"It was non-ADB. Is it possible to check if some packets are sent at all over the Ethernet port (e.g. with Wireshark running on another machine) while daydream runs?
I hadn't yet the time to examine with wireshark, but i think not i will see something.
If NeXTstep boots up, after loading the network driver the LED on the RJ45 socket lights on, on booting darkmatter (or the old daydream) the LED on the RJ45 is dark. So i assume the ethernet chip wasn't enabled properly.
I have tested my equipment also with non-ADB but no working at all
Before I root through 15 pages of posts, did anyone ever post the completed schematics for the ROM box? Someone gave me all the IC's to build one just before we patched the box out completely but for the hell of it I'd be willing to finish it anyways. I just need the schematics.
Quote from: "Andreas"Quote from: "schubige"It was non-ADB. Is it possible to check if some packets are sent at all over the Ethernet port (e.g. with Wireshark running on another machine) while daydream runs?
I hadn't yet the time to examine with wireshark, but i think not i will see something.
If NeXTstep boots up, after loading the network driver the LED on the RJ45 socket lights on, on booting darkmatter (or the old daydream) the LED on the RJ45 is dark. So i assume the ethernet chip wasn't enabled properly.
I have tested my equipment also with non-ADB but no working at all
I have now tested with an 25MHz Cube, and networkig is also working. Maybe there are different ethernet chips in the Turbo line?
Mono-Cube: OK
Mono-Slab: OK
Turbo-Color slab: not working
Turbo-Mono slab: not working
Turbo-Cube: not working
25MHz Color slab but with Turbo-MB: not working
Quote from: "Andreas"Quote from: "Andreas"Quote from: "schubige"It was non-ADB. Is it possible to check if some packets are sent at all over the Ethernet port (e.g. with Wireshark running on another machine) while daydream runs?
I hadn't yet the time to examine with wireshark, but i think not i will see something.
If NeXTstep boots up, after loading the network driver the LED on the RJ45 socket lights on, on booting darkmatter (or the old daydream) the LED on the RJ45 is dark. So i assume the ethernet chip wasn't enabled properly.
I have tested my equipment also with non-ADB but no working at all
I have now tested with an 25MHz Cube, and networkig is also working. Maybe there are different ethernet chips in the Turbo line?
Mono-Cube: OK
Mono-Slab: OK
Turbo-Color slab: not working
Turbo-Mono slab: not working
Turbo-Cube: not working
25MHz Color slab but with Turbo-MB: not working
Any news on this? I have now a Color Station and network is also working, but not on all the turbo machines. The behavier is so, as it would never an ethernet chip build in, so whireshark doesn't help by a non-exisiting network card.
This is amazing. In just a few minutes, I was able to boot into System 7.1, on a virtual NEXTSTEP 3.3 machine, emulated by Previous 1.5, running on my physical macOS 10.12.3 machine. A sincere thank you to everyone who has made this possible.
Unfortunately, there is a small problem. I was only able to use the pre-patched daydream kernel, dated 2015-08-01, MD5 checksum cfccff69cd93a51962b43c1bccf4e996, and I would like to use the updated patch, dated 2016-06-16. I tried following the instructions to patch the 2.11 daydream kernel, but I failed just as Rob Blessin Black Hole did earlier.
The Java patcher does not recognise the 2.11 daydream kernel, MD5 checksum 6fe7a3d67bb7ab1b4123876aa49c5e65, even though I have extracted it from the "update-v2.11.img" disk image included in the "Daydream_docs_n_floppies.tar" archive. The error message simply says "Not a version 2.11 daydream kernel".
Can someone confirm what is the MD5 checksum of a daydream kernel that the patcher will accept?
Alternatively, can someone send me a pre-patched kernel that includes the latest patch and is optimised for Previous?
After starting from scratch, I was able to patch the 2.11 daydream kernel successfully.
MD5 (Original 1.41/daydream) = 2eec01fa466094191fb2d3bb8f5d8abb
MD5 (Original 2.11/daydream) = 2ace94152af70dd909bc803837993ae9
MD5 (Patched 2.11 2015-08-01/daydream) = cfccff69cd93a51962b43c1bccf4e996
MD5 (Patched 2.11 2016-06-16/daydream) = 3e6d1c12d11c569b6a8e911d54eb0077
Quote from: "schubige"These instructions are still valid:
Quote from: "schubige"
In addition to "darkmatter.jar" you need:
* A recent JRE (Java Runtime Environment). The patch tool runs on Windows, Mac OS or Linux
* A Mac LC ROM image file (not LC II and not LC III, works only with LC ROM); google for "350EACF0 - Mac LC.ROM"
* A daydream 2.11 kernel file; you find it on this site.
What you don't need anymore:
Invoke the tool with
java -jar darkmatter.jar daydream "350EACF0 - Mac LC.ROM"
This will create a folder "darkmatter" which contains the new kernel (size after patch should be 655360 bytes). Enjoy!
But probably someone will provide a patched kernel soon. I'm sorry, but I can't do that for copyright reasons (Mac ROM as well as daydream kernel are copied as part of the patch process). That's the reason for the patch tool.
As soundboxes are in limited supply and an eventual achillies heal for NeXT hardware .....
I had a question(s) would it be possible to be proactive to create a NeXT software "rom" patch
that would create Keyboard and Mice ADB peripheral compatability or better yet USB to legacy NeXT NON ADB systems?
Are the earlier systems hard coded to be non adb only with no chance of modification or emulated woraround?
I know you have an incredible understanding of NeXT hardware/ software that no one else came close to.... especially the rom patch boot up as a mac
Would it be a ... pcb adb rom dsp dongle like the original Daydream to solve this dilema.
Ideally an adaptor convertor box that spoofs the NeXT soundbox or bypasses it that would allow peripherals to directly plug in to a NeXT?
I should ask can one bypass the soundbox and plug peripherals directly into the NeXT using a custom dongle like the drakware or wombat ?
Could serial mouse keyboard drivers be written that would do this using the a/b ports on the NeXT ?
On Turbo systems what chips control determining if it is an adb or non adb set up as it would be interesting to see if the specific chips could be moved to non adb systems and the rom upgraded lol I know the ram changed as well , I feel like we are slowly being painted into a corner..... but breakthroughs in modern technology keep amazing me and I'm sure it exists in the reality distortion field.
Should be possible to plug right into the DB-19 and create a complete keyboard, mouse, sounds, and video adapter. From memory the bus runs at 5MHz and everything is serial except the video.
I'm trying to use the mcos simulation, but I would like to know how do I set a exiting hd in Nextstep to be accessible via daydream
i.e. I have the Mcos 8.1 update file in a folder in my cub and i want to map it to day dream to then be used and allow me the update
any advice will be welcome
thanks
Part of me feels like trying to run 8.1 on a cube even if Daydream helps to run closer to the hardware will be pretty unusable.
QuoteOK, works for me also without errors but i get these md5:
3de89b82ed185f02973eb35fb87f517d *daydream
and the kernel is 646.144 bytes, but it should be
OK, Ethernet isn't working for me, but my build have also the false MD5 - had anyone a proper running darkmatter 0.5 or newer binary?
Is anybody able to re-upload the Java patcher? All OneDrive links are dead. Yes, there is a pre-patched kernel in
http://www.nextcomputers.org/NeXTfiles/Docs/Hardware/Daydream/, but the patcher itself isn't preserved.
Quote from: freon on March 09, 2023, 05:24:58 PMIs anybody able to re-upload the Java patcher? All OneDrive links are dead. Yes, there is a pre-patched kernel in http://www.nextcomputers.org/NeXTfiles/Docs/Hardware/Daydream/, but the patcher itself isn't preserved.
here you go ->
https://mega.nz/file/Q5J2ya7A#0qH_QZ29kYfLo7tk_aNMCigbqDwsl46wWAnnNZZV_Zo
Quote from: mikeboss on March 10, 2023, 07:04:17 AMhere you go -> https://mega.nz/file/Q5J2ya7A#0qH_QZ29kYfLo7tk_aNMCigbqDwsl46wWAnnNZZV_Zo
Looks like it's been added to the aforementioned file directory as well. The patcher is several months newer than the pre-patched kernel (Feb 2016 vs Aug 2015) and I was able to patch an original 2.11 kernel (resulting md5sum was 5d431b0a3cb7aeb90050aa787ae93022) for my color slab complete with 68040 support. Thanks!
NOTE: for this version the workaround described at
http://www.nextcomputers.org/forums/index.php?msg=22495 (
http://www.nextcomputers.org/forums/index.php?msg=22495) must be used.
Trying to understand everything in the 16-page-discussion...
If I am getting it right: the kernel in darkmatter.zip from /NeXTfiles/Docs/Hardware/Daydream is apparently:
MD5 (Patched 2.11 2015-08-01/daydream) = cfccff69cd93a51962b43c1bccf4e996(according to:
https://www.nextcomputers.org/forums/index.php?topic=1722.msg23052#msg23052)
As it appears that we are already sharing the patched kernel file on the site, could somebody add the newest patched version and/or the original kernel there too?
(Btw; getting JRE installed on macOS isn't too easy: Oracle wants you to login to download so one needs to get the installer elsewhere to avoid that...)
Ok, had time to test this more. Needed to use the workaround for the patcher (and get the right 2.1 kernel from the floppies) but now I am starting to get it..
This is neat! At least in Previous the Mac side feels pretty fast, too.
I have some small issues that prevented me getting futher into Mac-side install:
- Mac-side: rebooting with alt pressed should reboot to NeXTStep but I couldn't get this to work (could be a keymap issue). EDIT: my bad; this should be pressing alt while selecting Shutdown on Mac-side - this works just fine!
- Mac floppies do not appear at all in Mac-side (works on NeXT side but not in the boot screen or desktop on Mac side)
- To avoid the floppy issue I used a premade image RaSCSI-Boot-7.0.1.hda (attached as a SCSI hard drive) and it works. 7.5.3 would start booting but halt halfway (didn't test booting without extensions). I created a new 120MB disk file with the Daydream's utility and copied the System folder from the RaSCSI's image into that.
This was all in Previous 2.7. If I can get 7.1 and some software into my Daydream disk file, I'll try and get it over to my mono-slab to see how it performs.
Note a typo in the prompt :P
Finally had time to test this. I copied the hard disk image of my Macintosh LC installation and moved it over to first Previous for testing and then over to my mono-slab.
In Previous I couldn't get networking to work (EN light would flash like it was trying but I couldn't even ping).
But on my NeXTstation networking worked just fine:
Oldish Apple Personal Diagnostics gives pretty good numbers on it, and it does feel quite snappy!
Quote from: MindWalker on May 26, 2023, 02:43:05 PM- Mac floppies do not appear at all in Mac-side (works on NeXT side but not in the boot screen or desktop on Mac side)
Quote from: MindWalker on June 23, 2023, 01:35:48 PMIn Previous I couldn't get networking to work (EN light would flash like it was trying but I couldn't even ping).
Please test again with Previous v2.8. If you still experience these issues, can you describe them a bit more closely? What configuration did you use? Did you use set up the floppy drive under the "SCSI" or under the "Floppy" menu? How was networking set up and which address did you try to ping?
Because this is a bit off-topic here, we might better discuss this in Previous' main thread or a new thread in the Emulation / Virtualization section.
Hi all,
Quote from: schubige on August 25, 2015, 01:14:36 PMHow-to:
- Boot with System 7.5- Start System 8.1 Installer- Under "Options...", deselect "Update Apple Hard Disk Drivers"- Reboot with System 7 (e.g. daydream emergency disk). System 8.1 will not boot without the patches.- Use ResEdit to copy all resources from "MacOS 8.1 System patches" to the "System" file in the system folder of the newly installed MacOS 8.1- ResEdit asks to replace resources with the same ID. Close that dialog with "Yes"- Save the System file and reboot- MacOS 8.1 should start now- Copy the "colorFix" system extension to the extensions folder if you run daydream on a NeXT Color Station- disable all unneeded / unwanted control panels and system extensions
Did anyone by chance archive the file with the "MacOS 8.1 System patches" in it?
Thanks! Cheers!
Quote from: Andreas on August 26, 2015, 02:00:19 AMstupid questions: daydream seems only to work with the BNC-Ethernet, not the RJ45 one. Does darkmatter work with the RJ45?
Is this still the case with Turbo slabs? I'm running darkmatter with the MD5 cfccff69cd93a51962b43c1bccf4e996
Also, my BNC port is broken, so I can't test this on my turbo color slab...
-J
Quote from: astromike on December 03, 2023, 08:54:33 AMHi all,
Did anyone by chance archive the file with the "MacOS 8.1 System patches" in it?
Thanks! Cheers!
I uploaded it here (
https://www.dropbox.com/scl/fi/d47k40vt4najb3ne1ighk/MacOS-8.1-System-patches.Bin.zip?rlkey=907gq05qvk6gvzbogn1soh0mj&dl=0) for you (and of course anyone interested in it).
Thank you Andreas! This is great. I am not sure what I was expecting, but 8.1 works exceptionally well on a NextStation Color. Now I need to dig out all of my old CDs and floppies.
I have Daydream working on my Nextstation Turbo. It boots to the mini7 install. Pretty bare bones.
I saw mention of 8.1 and patching. Can I install 7.5.5 or 7.6.1 without patching?
So there is no sound obviously with Daydream and any MacOS. I'm wondering if anyone might know if the Daydream kernel would even allow MacOS to access the DSP56000 potentially from MacOS..ergo would it even be possible for someone to write a sound driver/extension?