NeXT Lithium Battery

NeXT Computer, Inc. -> NeXT Black Hardware

Title: NeXT Lithium Battery
Post by: Nitro on December 30, 2005, 12:03:43 AM
If you're having problems with the Lithium Battery in the mainboard of your NeXTcube or NeXTstation, you can purchase an exact replacement from http://www.digi-key.com/
The part number is P133-ND, and the price as of this post is $4.70 USD.

http%3A%2F%2Fwww.nextcomputers.org%2Fwebpics%2Fnitro%2FNeXT_Lithium_Battery.jpg
Title: NeXT Lithium Battery
Post by: brams on December 30, 2005, 04:18:38 AM
WOW these things are about 12 pounds in the UK.  Apparently CR123 is a direct replacement for the BR 2/3A and a box of six is 11 pounds.

http://www.battery-force.co.uk/detail_ENCR12006A.html

Has anybody tried them in a NeXT?

brams
Title: NeXT Lithium Battery
Post by: blackcube on December 30, 2005, 07:56:31 AM
Quote from: "brams"WOW these things are about 12 pounds in the UK.  Apparently CR123 is a direct replacement for the BR 2/3A and a box of six is 11 pounds.

http://www.battery-force.co.uk/detail_ENCR12006A.html

Has anybody tried them in a NeXT?

brams

The size is a bit different.  The CR123 is a force fit into the battery holder.  I prefer to buy the originals but if they are not available, you do what you have to do.
Title: NeXT Lithium Battery
Post by: Andreas on December 30, 2005, 12:52:32 PM
Quote from: "brams"Apparently CR123 is a direct replacement for the BR 2/3A and a box of six is 11 pounds.

I have used 3 cheap CR123 from eBay, 1,25 EUR each, and they work flawlessy. I don't see differences to the Panasonic type one, they fit without a problem.
Title: NeXT Lithium Battery
Post by: fidel on March 02, 2006, 02:17:51 PM
On the subject of the batteries, and dead ones in particular... I've only seen one not-too-explicit reference to the fact that the machine reverts to netbooting when the battery dies; the slab I have (25MHz '040) boots and spends an eternity looking out on the network for something it never finds. I've yet to try screwing around in the ROM monitor and have no idea what to do there to change that particular behaviour... What else can I expect in the way of surprises in such circumstances?
Title: NeXT Lithium Battery
Post by: Slab on March 08, 2006, 04:04:44 AM
Quote from: fidelOn the subject of the batteries, and dead ones in particular... I've only seen one not-too-explicit reference to the fact that the machine reverts to netbooting when the battery dies; the slab I have (25MHz '040) boots and spends an eternity looking out on the network for something it never finds. I've yet to try screwing around in the ROM monitor and have no idea what to do there to change that particular behaviour... What else can I expect in the way of surprises in such circumstances?

This page should help you set your ROM Monitor boot parameters after replacing the battery.

https://www.nextcomputers.org/files/manuals/nsa/09_StartShut.htmld/index.html#9u
Title: NeXT Lithium Battery
Post by: matrix01 on October 01, 2006, 09:53:45 AM
I had to reset the PROM to boot off the disk, before I did, I changed the host IP address to what it should be to see the network, now when booting the machine hangs on the "Starting Naming Services"

I can not boot into single user mode (bsd-s) to re-edit the host IP address back. Any suggestions?

\never mind, user error...  :roll:
Title: NeXT Lithium Battery
Post by: Andreas on October 02, 2006, 02:07:12 AM
Quote from: "matrix01"I had to reset the PROM to boot off the disk, before I did, I changed the host IP address to what it should be to see the network, now when booting the machine hangs on the "Starting Naming Services"

press CRTL + C on this stage to go ahead and pass the name service deamon.

After booting use the simple network starter to swich off that name service.
Title: NeXT Lithium Battery
Post by: matrix01 on October 02, 2006, 12:35:30 PM
I tried that for some reason it was not working. I finally got back in as single user and hacked back the host name so that it would resolve it and then wiped everything...

Strange that it all has to be done via netinfo, I am used to just going in and hacking the network config files and having everything work, I am sure that I  must of been missing a file which was causing the hangup. Guess that I have spent too much time with SGI's which ever since 6.5 required some hacking.

Cheers
Title: NeXT Lithium Battery
Post by: emond on December 27, 2018, 10:26:46 AM
The CR123 battery has different names, here are the main ones :
CR17345. 123, 123A, 123-SANYO, 5018LC, 6205, BR2/3A, CR123, CR123-2, CR123-A, CR123A, CR123A-2, CR123R, CR-123, CR17335, CR17345, DL123, DL123A, DL123A2, DL123AB, DL-123, DL-123AB, DLCR123, EL123, EL123A, EL123AP, EL123-AP, EL123AP2, EL123AP-2

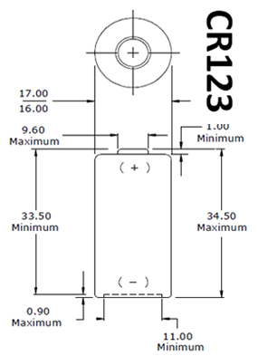
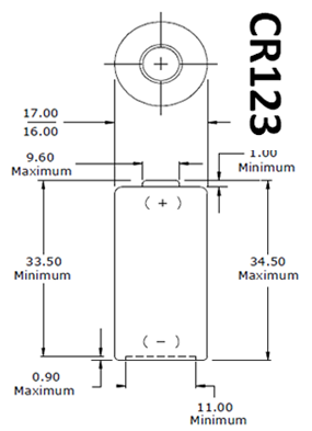
The CR123  Lithium Battery size's :
http%3A%2F%2Fjbemond.free.fr%2FNeXT%2FBattery%2Fschema-pile-cr123.png

The Original Panasonic Lithium Battery BR-2/3A 3V size's :
http%3A%2F%2Fjbemond.free.fr%2FNeXT%2FBattery%2FIMG_20181227_170002p.jpg

http%3A%2F%2Fjbemond.free.fr%2FNeXT%2FBattery%2FIMG_20181227_170104p.jpg

http%3A%2F%2Fjbemond.free.fr%2FNeXT%2FBattery%2FIMG_20181227_170218p.jpg
Title: Re: NeXT Lithium Battery
Post by: Nitro on April 23, 2019, 12:24:02 AM
I noticed that Digi-Key sells the battery holder too, in case the original one is broken.  I measured the battery holder on an 030 main board and it matches the manufacturers drawing.

https://www.digikey.com/product-detail/en/mpd-memory-protection-devices/BH2-3A-3/BH2-3A-3-ND/639543

Drawing:
http://www.memoryprotectiondevices.com/datasheets/BH2-3A-3-datasheet.pdf

Title: Re: NeXT Lithium Battery
Post by: Nitro on February 27, 2023, 03:54:22 PM
It's impressive that Digi-Key is still selling these 17 years later and the price has only gone up from $4.70 to $5.10 USD.

https://www.digikey.com/en/products/detail/panasonic-bsg/BR-2-3A/6676

Go to top  Forum index